EasyManua.ls Logo

SpacePak ESP-J - Page 24

SpacePak ESP-J
52 pages
Print Icon
To Next Page IconTo Next Page
To Next Page IconTo Next Page
To Previous Page IconTo Previous Page
To Previous Page IconTo Previous Page
Loading...
24
W1C
TT
BOILER/PUMP
CONTROL
ESP 120V/230V
TWO STAGE
REFRIGERANT CONDENSER
WITH HW COIL/BOILER OR
ELECTRIC BACKUP HEAT
TT
C
BOILER/PUMP
CONTROL
W1
LAT
COIL2
COIL1
TEMPERATURE
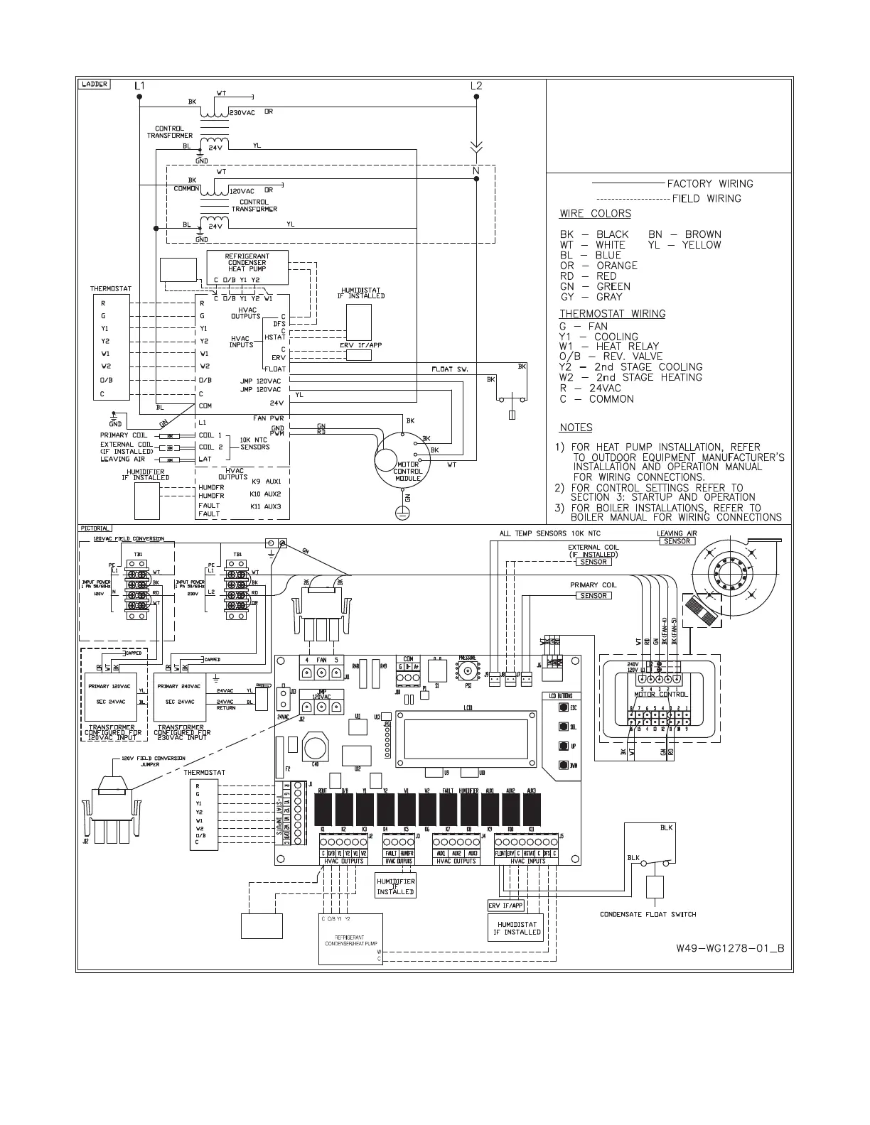
FIGURE 2.37: TWO STAGE HEAT PUMP/AC WITH BACKUP BOILER HEAT WIRING DIAGRAM