EasyManua.ls Logo

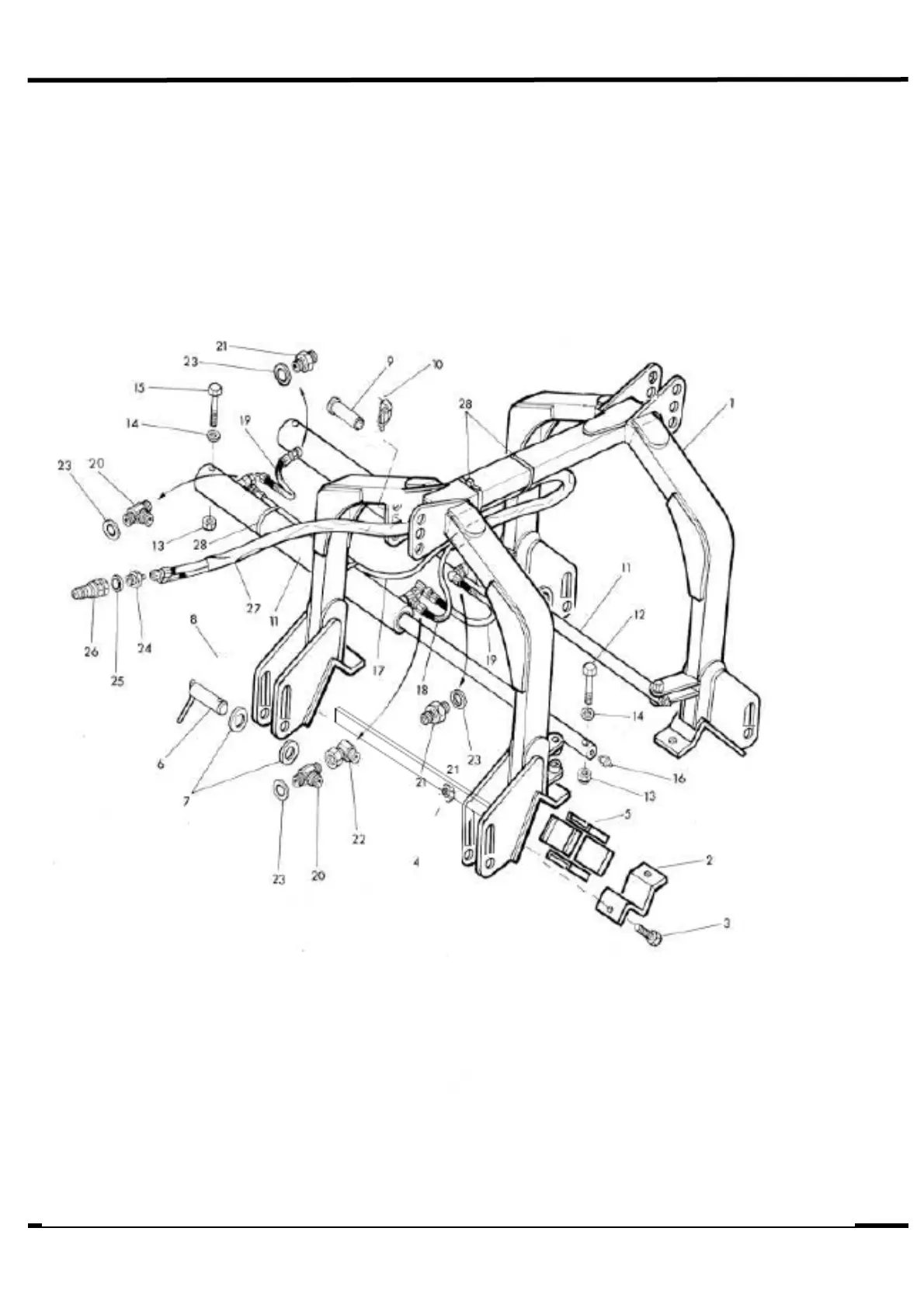
Spearhead Q2000HD - Parts List - Hydraulic Headstock Assembly; Hydraulic Headstock Assembly Diagram

Default Icon
39 pages
Print Icon
To Next Page IconTo Next Page
To Next Page IconTo Next Page
To Previous Page IconTo Previous Page
To Previous Page IconTo Previous Page
Loading...
Spearhead QHD Flail Mowers
27
Hydraulic Headstock Assembly

Other manuals for Spearhead Q2000HD

Related product manuals