EasyManua.ls Logo

Speck BS15 - Exploded View

Speck BS15
12 pages
Print Icon
To Next Page IconTo Next Page
To Next Page IconTo Next Page
To Previous Page IconTo Previous Page
To Previous Page IconTo Previous Page
Loading...
4
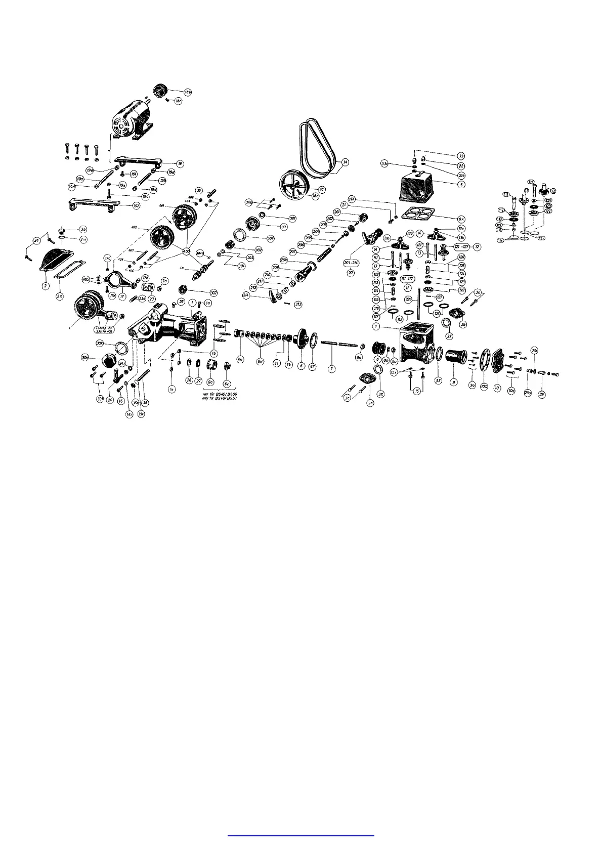
1.5.2 Exploded View
N.B. The self-locking nut in the suction valve
should only be used once.Please keep this in
mind when ordering spare parts!
When ordering spare parts, please state item number and code number of
the part required as well as the pump model and year of construction which
can be found on the name plate.
Valves
BS15 / BS25
www.northridgepumps.com

Related product manuals