EasyManua.ls Logo

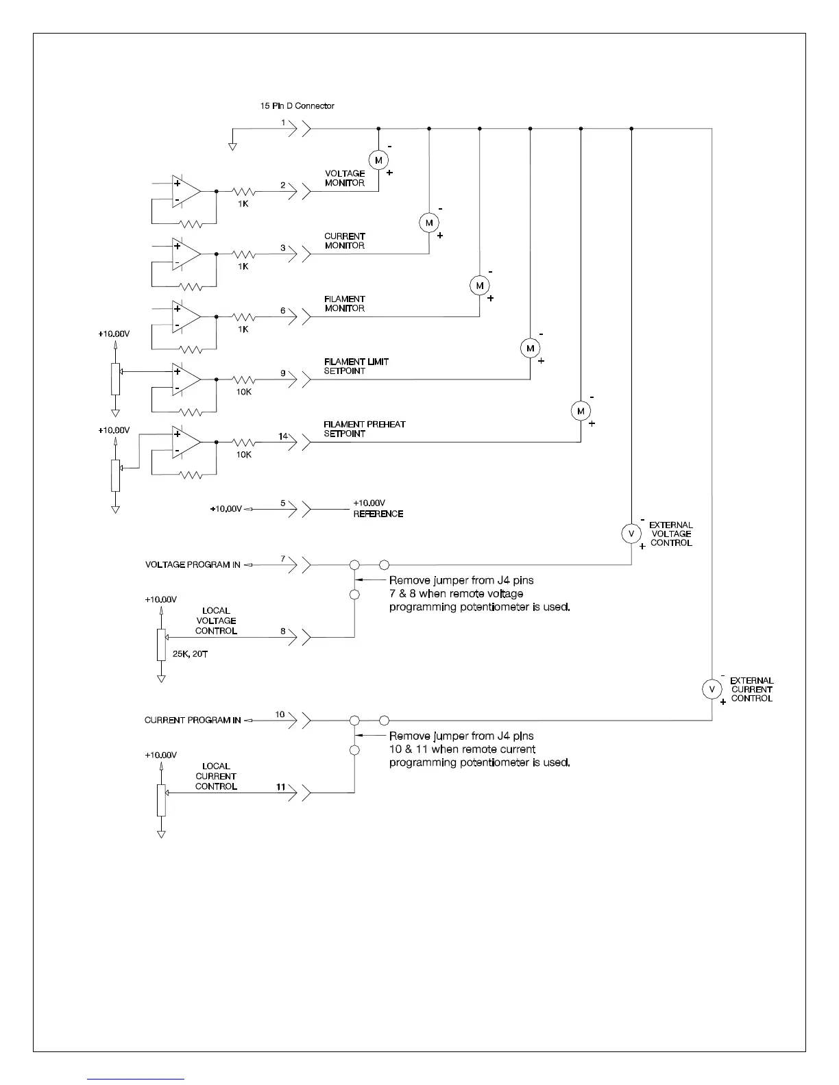
Spellman uX50P50 - Figure 3.3 Monitors & Voltage;Current Control Connections

Spellman uX50P50
30 pages
Print Icon
To Next Page IconTo Next Page
To Next Page IconTo Next Page
To Previous Page IconTo Previous Page
To Previous Page IconTo Previous Page
Loading...
uX MANUAL 10 118151-001 REV A
Figure 3.3 Monitors & Voltage/Current Control Connections

Related product manuals