EasyManua.ls Logo

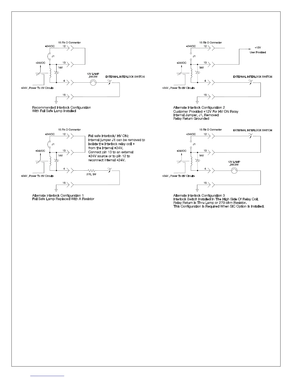
Spellman uX50P50 - Figure 3.4 Recommended Interlock; HV on Connections

Spellman uX50P50
30 pages
Print Icon
To Next Page IconTo Next Page
To Next Page IconTo Next Page
To Previous Page IconTo Previous Page
To Previous Page IconTo Previous Page
Loading...
uX MANUAL 11 118151-001 REV A
Figure 3.4 Recommended Interlock/HV on Configurations

Related product manuals