EasyManua.ls Logo

SPRIANO Series - Page 27

SPRIANO Series
48 pages
Print Icon
To Next Page IconTo Next Page
To Next Page IconTo Next Page
To Previous Page IconTo Previous Page
To Previous Page IconTo Previous Page
Loading...
OPERATING MANUAL
MN-SST50
ED-17-09
SPRIANO® TECHNOLOGIES - www.spriano.it spriano@terranova-instruments.com
a TERRANOVA® Srl brand - www.terranova-instruments.com - VAT IT07848810151
Factory & Sales: Via Gramsci 1 26827 Terranova dei Passerini (LO) Italy
Head Office: Via Rosso Medardo 16 20159 Milano Italy Ph: +39 0377 919119 Fax: +39 0377 855720
Pag. 27/48
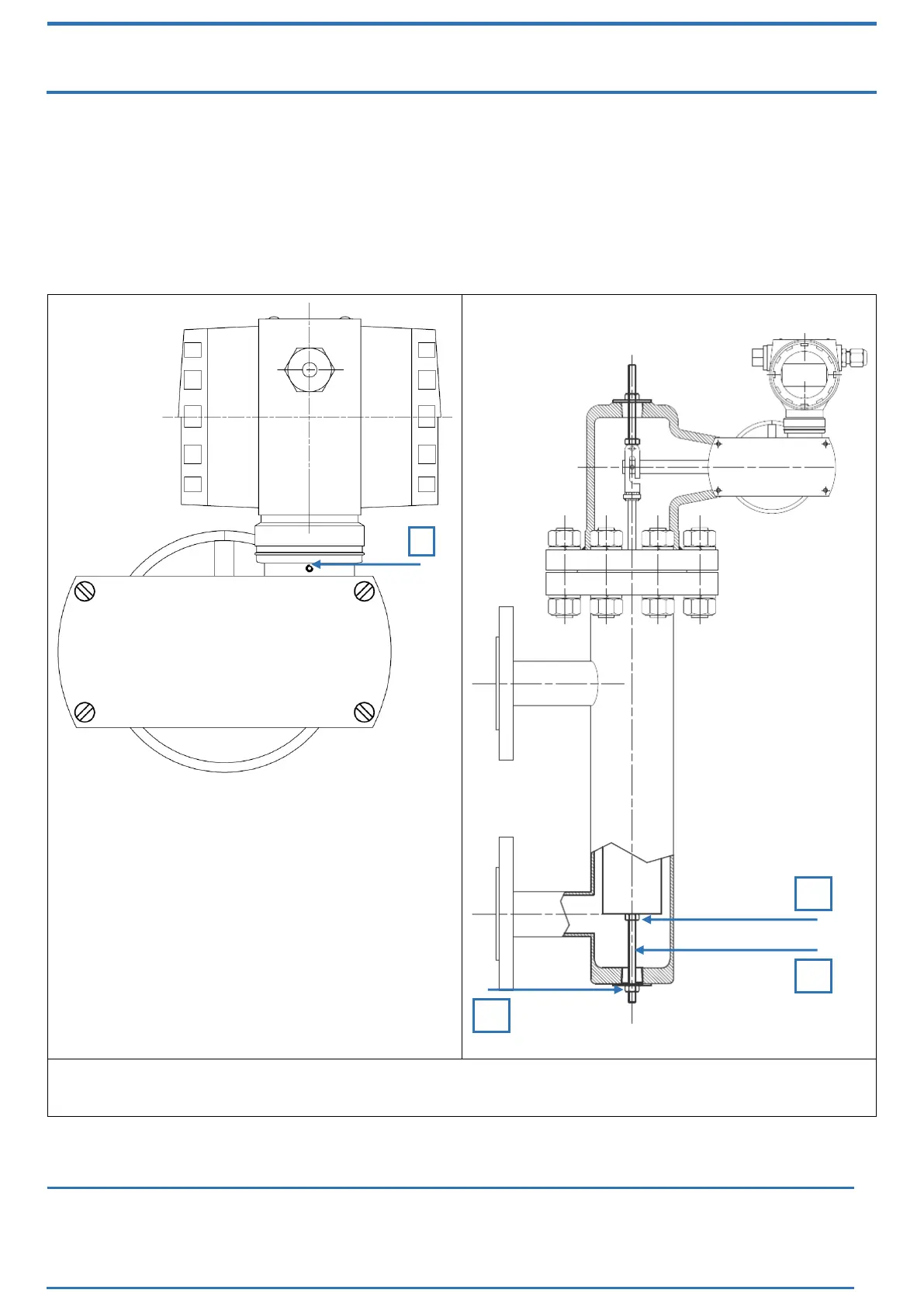
Step 2 (Figure 18):
screw for seven turns the stop dowel F in order to block the sensor mechanism.
Step 3 (Figure 18):
for instrument having bottom part, screw the stud bolt A into the nut B until it stops;
insert the washer C into the stud bolt and screw the nut D until the contact with the
washer is reached.
Figure 18: transport security operations - Steps 2 & 3
A
B
F
D

Related product manuals