EasyManua.ls Logo

Spudnik 8060 - Hydraulic Caster Options

Spudnik 8060
179 pages
Print Icon
To Next Page IconTo Next Page
To Next Page IconTo Next Page
To Previous Page IconTo Previous Page
To Previous Page IconTo Previous Page
Loading...
E
D
C
B
F
A
1
Repl.by
Repl.f.
Origin
Standard
Proved
User
date
name
date
change
Status
Wereserveallrightsinthisdocumentandintheinforma
tioncontainedtherein.Reproduction,useordisclosure
tothirdpartieswithoutexpressauthorityisstrictly
forbidden.
©SPUDNIKEQUIPMENT
8765
4
3
2
1
E
D
C
B
A
Sh.
Sheet
8765
4
32
F
SPUDNIKEQUIPMENTCOMPANYLLC
100N584W
BLACKFOOT,ID,83221
www.spudn k.com
02/02/07
HN
HN
2
15
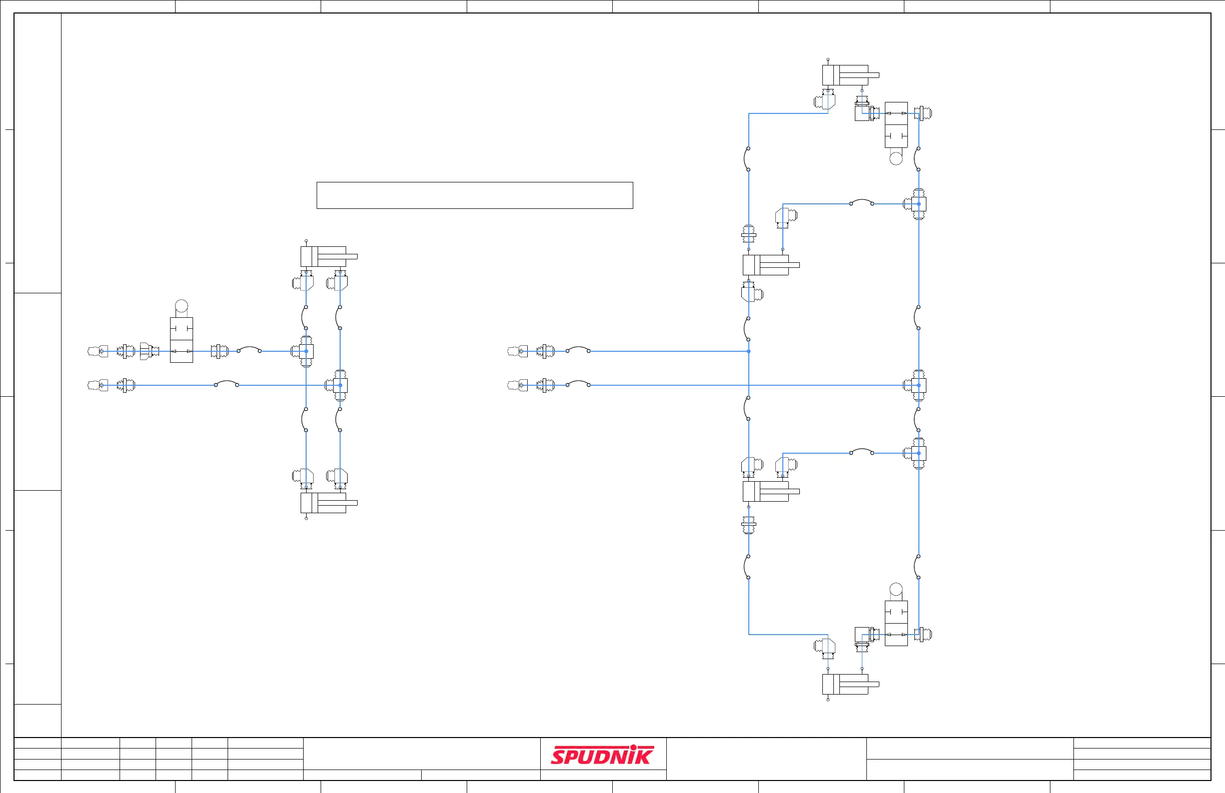
HYDRAULICCASTEROPTIONS
601048
601048
601322
601322
601446
601477
601477
601477601477
602211602211
602239602239
602239
602257
602257
602264
A
B
602284
602553
602553
602284
601477
602239
601322 601322 601322
602284 602284602706602706
602596
602596
601048
601048
601446
601446
602257
602257
601892601390
A
B
602620
3.00"x10"
A
B
602620
3.00"x10"
602264
A
B
602264
A
B
601323601323
601323601323
601323 601323
601323 601323
601323601323
A
B
C
602613
2.00"x10"
A
B
C
602613
2.00"x10"
A
B
C
602613
2.00"x10"
A
B
C
602613
2.00"x10"
QUICKCONNECTIDENTIFICATION

Blue>WalkingBeamup/down&MarkerArms
Red>HydraulicDrive/FeedChain
Green>DryFertilizer
Black>WalkingBeamSteering
CONNECTMARKERARMSPARALLELTOTHELIFTFUNCTION
SEEWALKINGBEAMOPTIONS

Table of Contents

Other manuals for Spudnik 8060

Related product manuals