EasyManua.ls Logo

SPX APV W+35/35 - Page 41

SPX APV W+35/35
Print Icon
To Next Page IconTo Next Page
To Next Page IconTo Next Page
To Previous Page IconTo Previous Page
To Previous Page IconTo Previous Page
Loading...
33
381616 ISS Q 11.2004
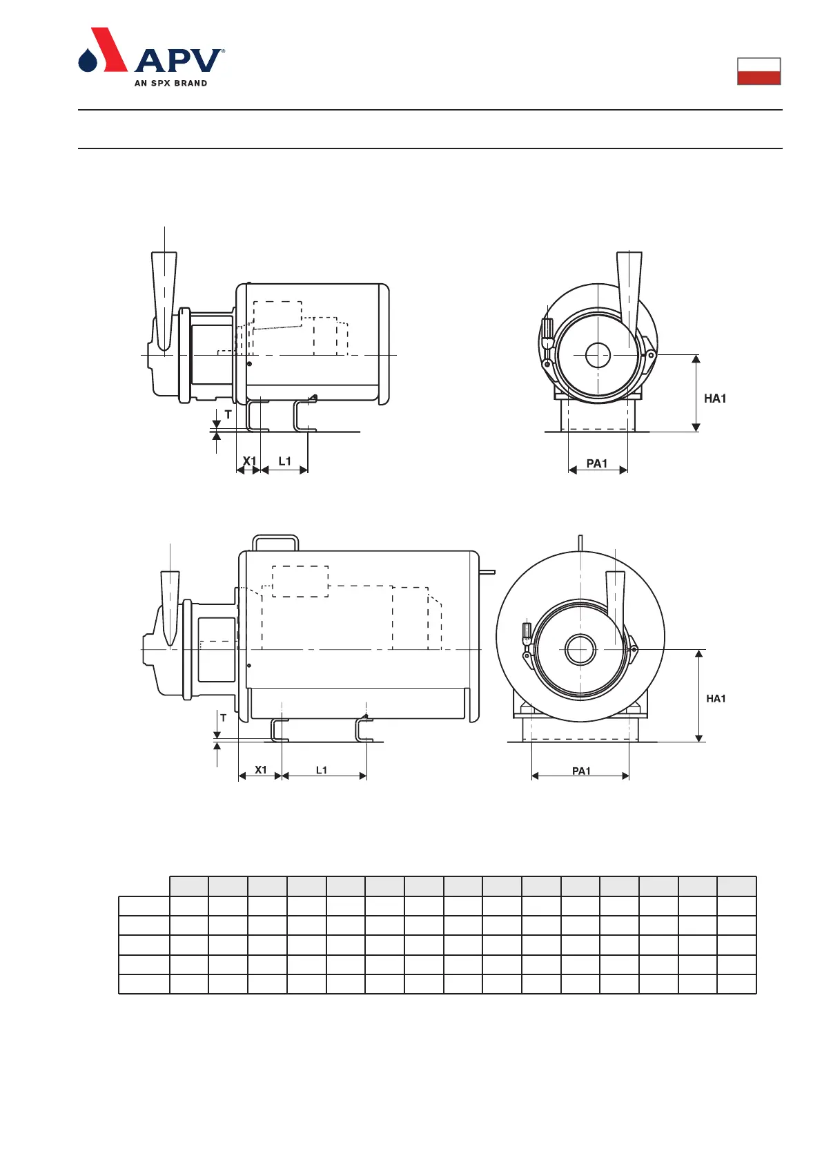
7. Wymiary pompy / Pump dimensions
90S
6
90L
6
100L
6
112M
6
132S
6
132M
6
160M
6
160L
6
180M
6
180L
6
200L
8
225S
8
225M
8
250M
8
80
50
6
X1
T
56 56 63 70 112 112 108 108 121 121 158 179 179 168
100 125 140 140 140 178 210 254 241 279 305 286 311 349100L1
140 140 160 190 216 216 254 254 279 279 318 356 356 406125PA1
170 170 180 192 212 212 240 240 260 260 280 305 305 330160HA1
TG. 7 - 8
Ze wspornikiem typu A
With bracket type A
Silnik 80 - 250M
TG. 7
Silnik 80 - 132M typ A
TG. 8
Silnik 160M - 250M typ A
381336 ISS S 09.2005 381337 ISS Q 11.95

Related product manuals