EasyManua.ls Logo

ST UC2842B - Page 10

ST UC2842B
15 pages
Print Icon
To Next Page IconTo Next Page
To Next Page IconTo Next Page
To Previous Page IconTo Previous Page
To Previous Page IconTo Previous Page
Loading...
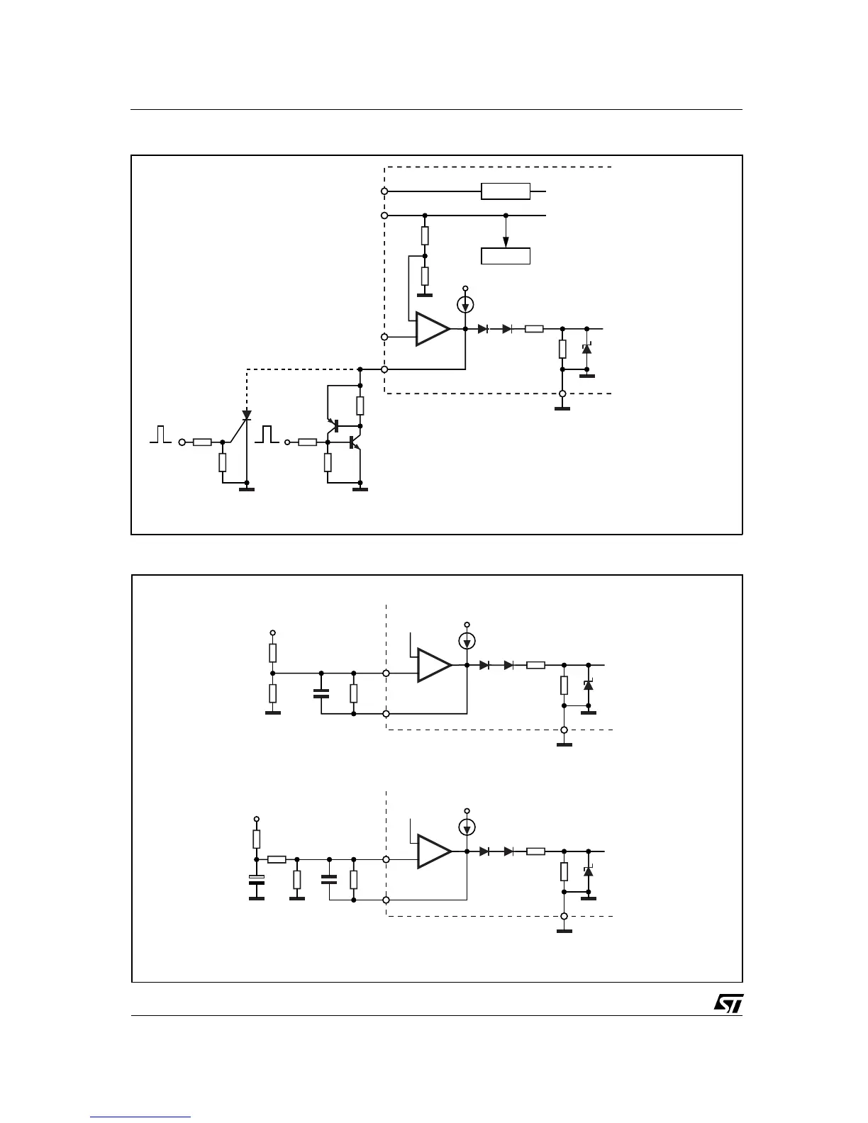
Figure 20 : Latched Shutdown.
D95IN350
BIAS
+
-
EA
R
+
OSC
2N
3905
2N
3903
1mA
R
R
2R
1
2
8
4
SCR must be selected for a holding current of less than 0.5mA at T
A(min)
.
The simple two transistor circuit can be used in place of the SCR as shown. All resistors are 10K.
5
D95IN351
+
-
EA
R
i
+
1mA
R
d
R
2R
5
C
f
R
f
1
2
From V
O
2.5V
+
-
EA
R
P
+
1mA
R
d
R
2R
5
C
f
R
f
1
2
From V
O
2.5V
Error Amp compensation circuit for stabilizing any current-mode topology except
for boost and flyback converters operating with continuous inductor current.
C
P
R
i
Error Amp compensation circuit for stabilizing current-mode boost and flyback
topologies operating with continuous inductor current.
Figure 21: Error Amplifier Compensation
UC2842B/3B/4B/5B - UC3842B/3B/4B/5B
10/15

Related product manuals