EasyManua.ls Logo

ST UC2842B - Page 11

ST UC2842B
15 pages
Print Icon
To Next Page IconTo Next Page
To Next Page IconTo Next Page
To Previous Page IconTo Previous Page
To Previous Page IconTo Previous Page
Loading...
D95IN353
+
-
+
R
A
1
7
f =
R
BIAS
OSC
C
6
V
REF
RR
B
+
-
+
-
EA
R
2R
R
S
Q
84
5
2
3
5K
5K
5K
NE555
8
4
2
1
5
TO ADDITIONAL
UCX84XAs
1.44
(R
A
+ 2R
B
)C
D
max
=
R
B
R
A
+ 2R
B
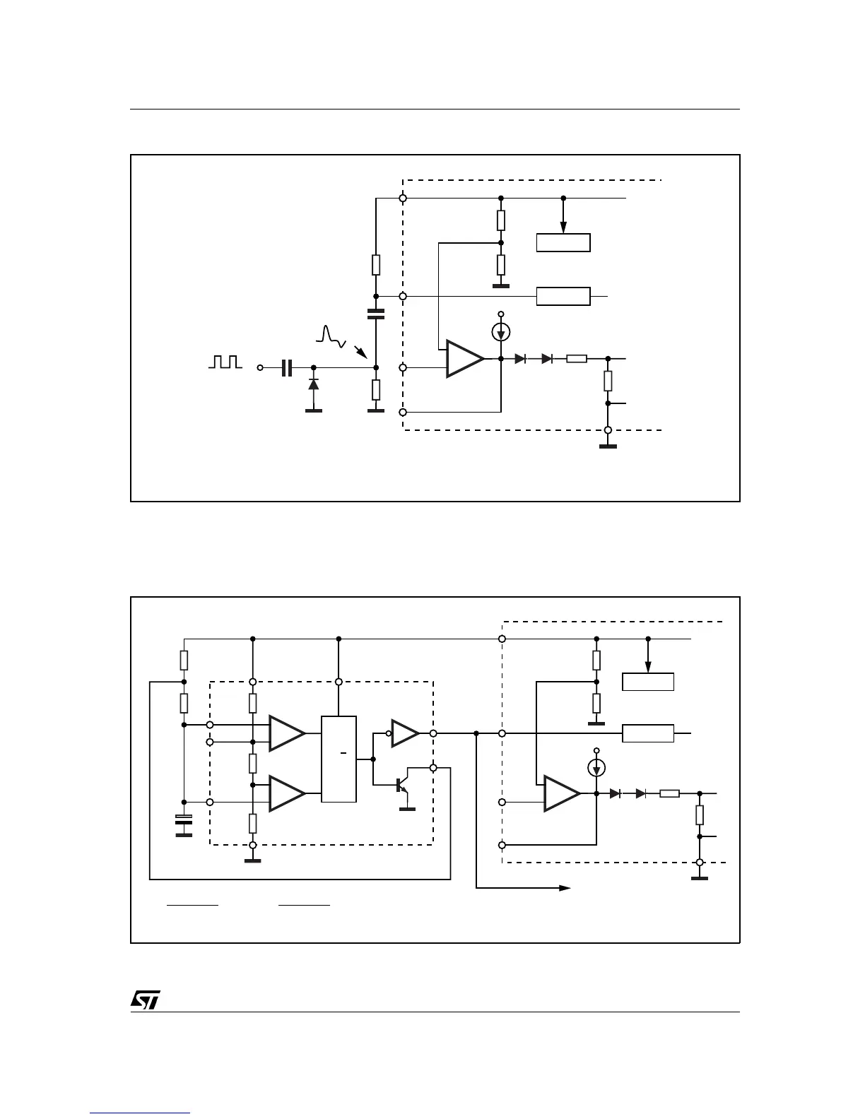
Figure 23: External Duty Cycle Clamp and Multi Unit Synchronization.
D95IN352
+
-
EA
+
R
2R
5
R
T
1
2
EXTERNAL
SYNC INPUT
The diode clamp is required if the Sync amplitude is large enough to cause
the bottom side of C
T
to go more than 300mV below ground
R
BIAS
OSC
C
T
0.01µF
47
4
8
V
REF
R
Figure 22: External Clock Synchronization.
UC2842B/3B/4B/5B - UC3842B/3B/4B/5B
11/15

Related product manuals