EasyManua.ls Logo

ST UC2842B - Page 12

ST UC2842B
15 pages
Print Icon
To Next Page IconTo Next Page
To Next Page IconTo Next Page
To Previous Page IconTo Previous Page
To Previous Page IconTo Previous Page
Loading...
D95IN354
+
R
BIAS
OSC
C
R
+
-
+
-
EA
R
2R
R
S
Q
8
4
2
1
5
1mA
1V
+
-
5V
ref
1M
Figure 24: Soft-Start Circuit
D95IN355
+
R
BIAS
OSC
C
R
+
-
+
-
EA
R
2R
R
S
Q
8
4
2
1
5
1mA
1V
+
-
5V
ref
R2
R1
V
Clamp
+
-
Comp/Latch
7
R
S
V
CC
Q1
V
in
7
6
5
BC109
V
CLAMP
= ·
R
1
R
1
+ R
2
where 0 <V
CLAMP
<1V I
pk(max)
=
V
CLAMP
R
S
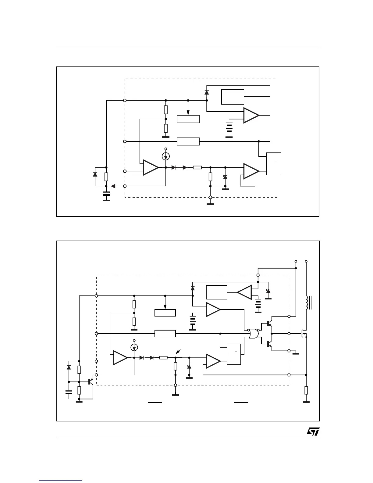
Figure 25: Soft-Start and Error Amplifier Output Duty Cycle Clamp.
UC2842B/3B/4B/5B - UC3842B/3B/4B/5B
12/15

Related product manuals