EasyManua.ls Logo

Stephill SSD8500 - 8-10 Kva Dual Voltage Wiring Diagram

Stephill SSD8500
18 pages
Print Icon
To Next Page IconTo Next Page
To Next Page IconTo Next Page
To Previous Page IconTo Previous Page
To Previous Page IconTo Previous Page
Loading...
Last Number Used
16
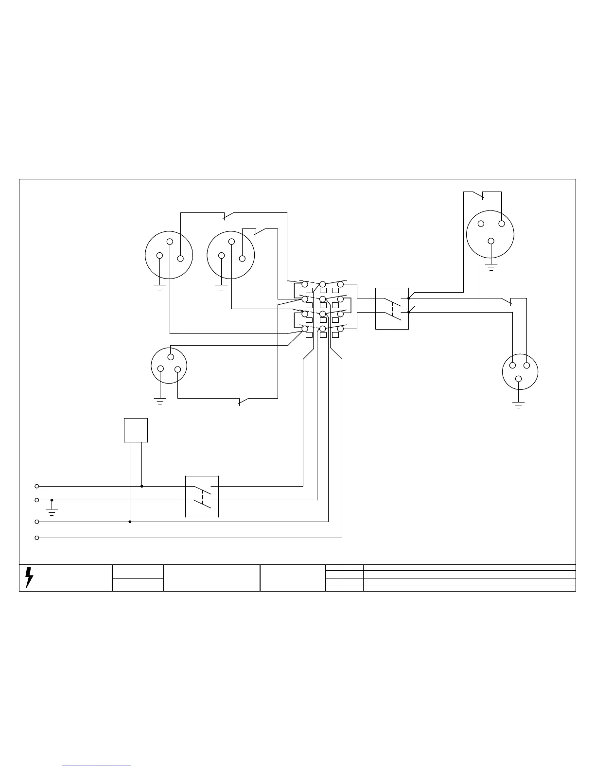
STEPHILL GENERATORS
Drawn
R Golding
Drawing Number
SW12003
Phone 01933 677911
Fax 01933 677916
Description
8-10Kva Dual voltage with 230v
RCD wiring diagram
Re-sets added.
32A 230V Socket removed.
17-06-15
G
10/09/07
DateIssue
E
Revision
5
2
6
1
2
40A MCB 10 kVA
1.5mm black
1.5mm black
1
1
6
1
2
HRM
1 x 6mm black
1 x 6mm black
11
16
115v 16a socket
1.5mm Blue
E
N
1.5mm Brown
L
4.0mm Blue
4.0mm Blue
115v 32a socket115v 32a socket
E
N
L
E
L
N
4.0mm Brown
4.0mm Brown
40A RCD
11 16 2 5
8B
4B
7
8A
3
4A
6B
2B
5
6A
1
2A
E
N
1.5mm Brown
4.0mm Brown
1.5mm Blue
4.0mm Blue
CHANGEOVER SWITCH
E
N
230v 16a socket
L
230v 32a socket
L
8kVA Information added.
F
28/02/08
115 0 230
30A Re-set
16A Re-set
1.5mm Brown
16A Re-set
30A Re-set
4.0mm Brown
30A Re-set
32A MCB 8 kVA
1.5mm Blue
1 x 6mm black
1 x 6mm black
1 x 6mm black
1 x 6mm black

Related product manuals