EasyManua.ls Logo

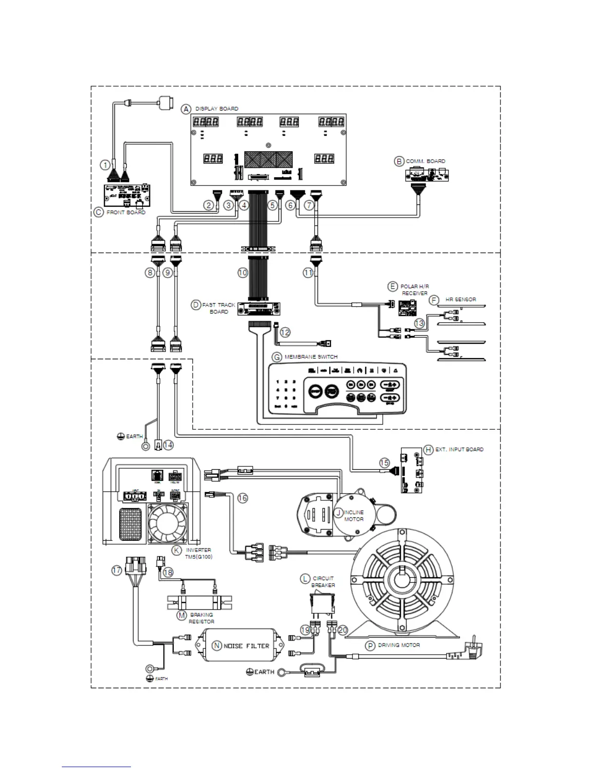
stex S23T - Electrical System; S23 T Circuit Diagram and Components

stex S23T
35 pages
Print Icon
To Next Page IconTo Next Page
To Next Page IconTo Next Page
To Previous Page IconTo Previous Page
To Previous Page IconTo Previous Page
Loading...
< 24 >
3-16 Circuit Diagram S23T

Related product manuals