EasyManua.ls Logo

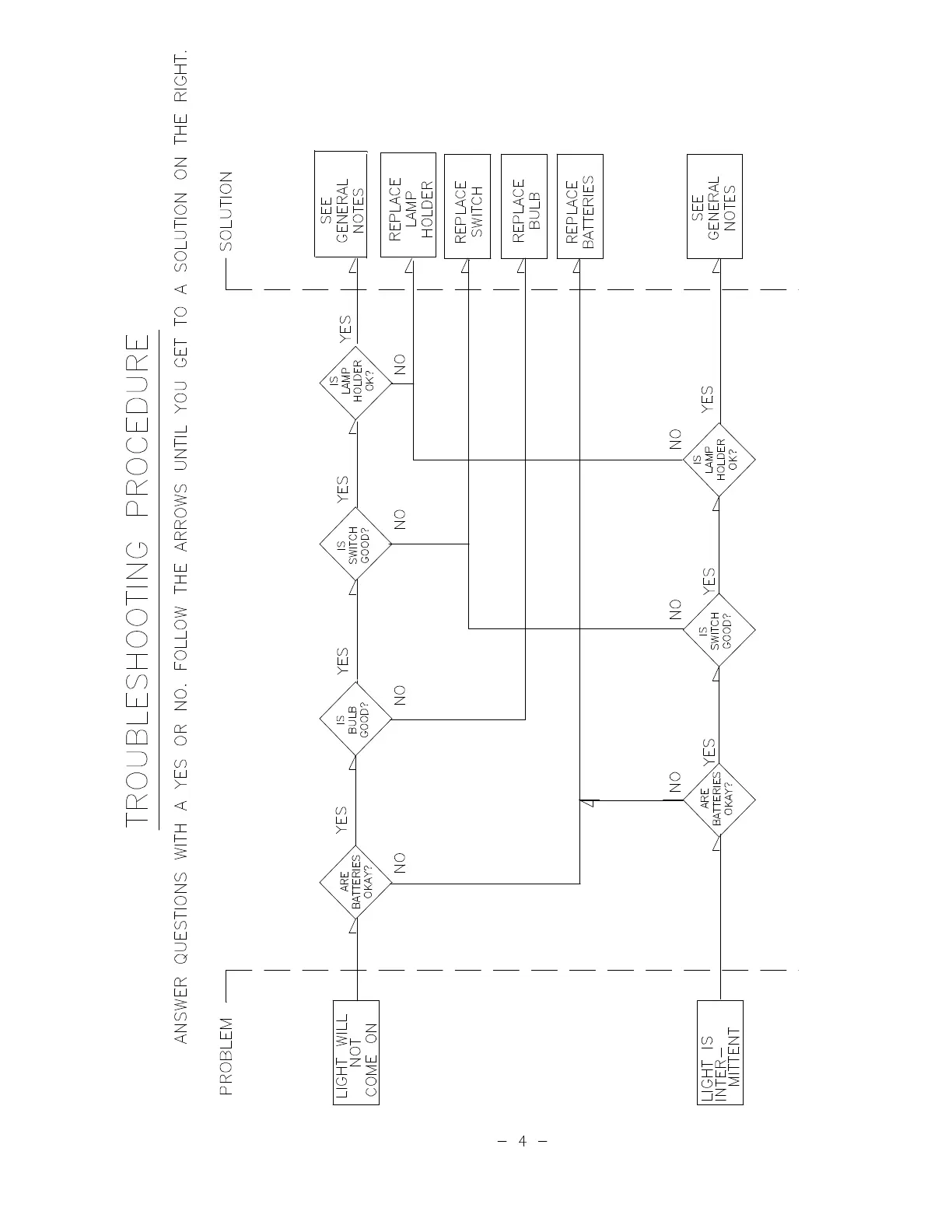
StreamLight Scorpion - Troubleshooting Diagram

StreamLight Scorpion
12 pages
Print Icon
To Next Page IconTo Next Page
To Next Page IconTo Next Page
To Previous Page IconTo Previous Page
To Previous Page IconTo Previous Page
Loading...

Other manuals for StreamLight Scorpion

Related product manuals