EasyManua.ls Logo

Stryker Isolibrium 2971 - Page 89

Stryker Isolibrium 2971
202 pages
Print Icon
To Next Page IconTo Next Page
To Next Page IconTo Next Page
To Previous Page IconTo Previous Page
To Previous Page IconTo Previous Page
Loading...
EENN
www.stryker.com 2971-109-0 01 REV B 1-81
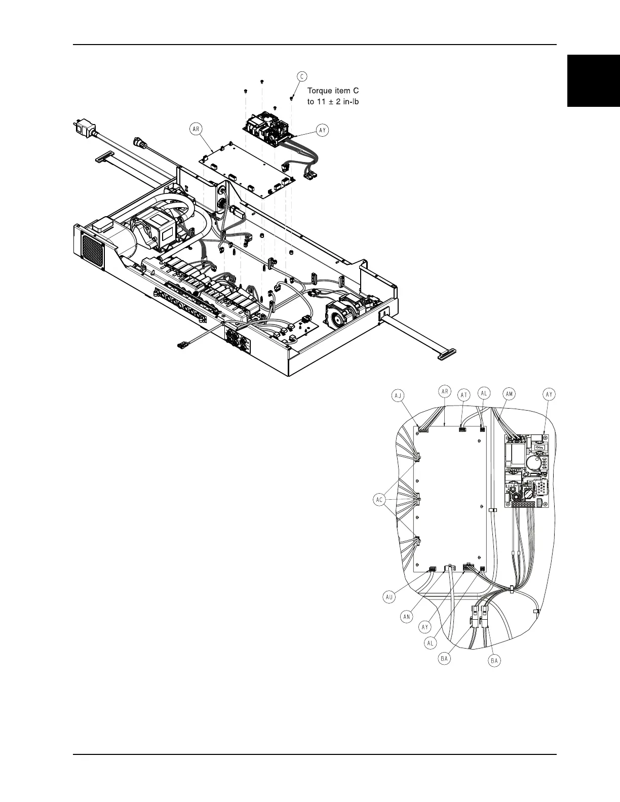
Footbox assembly
Torque item C
to 11 ± 2 in-lb

Other manuals for Stryker Isolibrium 2971

Related product manuals