EasyManua.ls Logo

Studiomaster Professional MINI Series - Block Diagram

Studiomaster Professional MINI Series
8 pages
Print Icon
To Next Page IconTo Next Page
To Next Page IconTo Next Page
To Previous Page IconTo Previous Page
To Previous Page IconTo Previous Page
Loading...
6
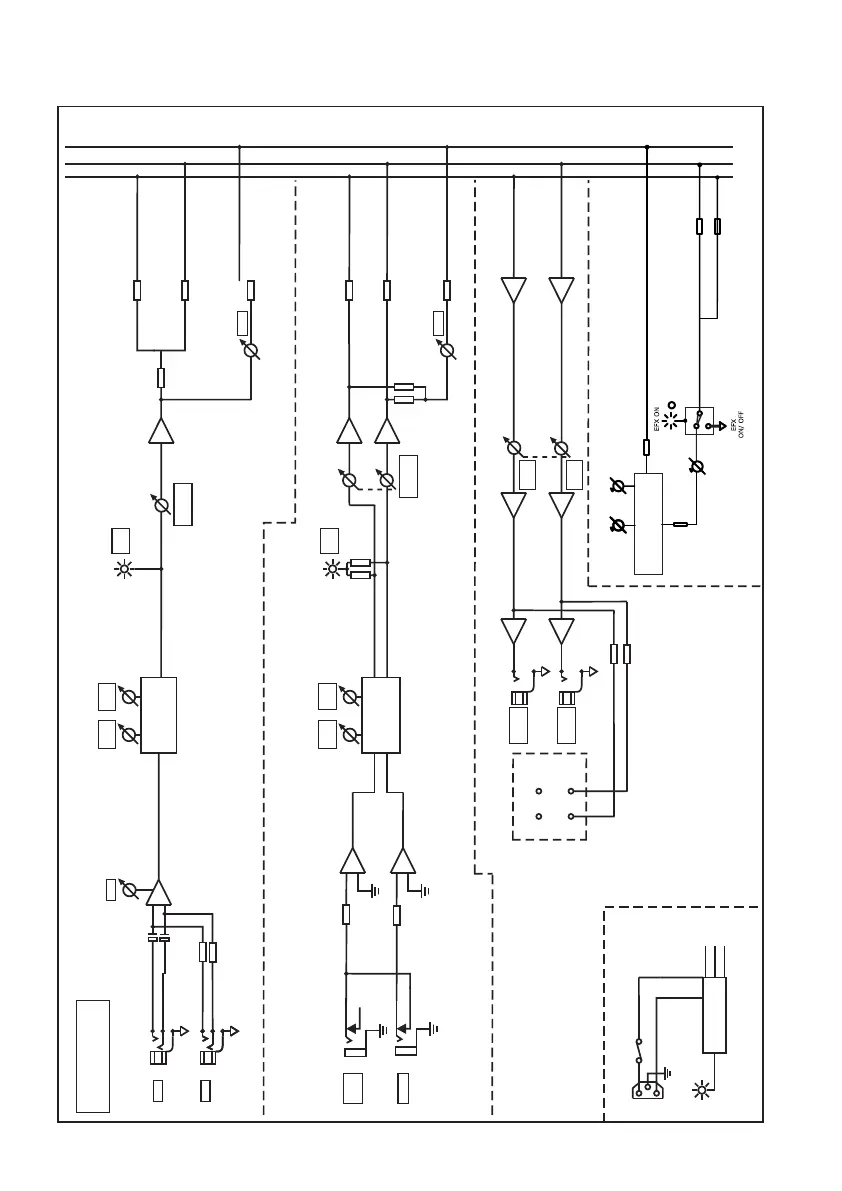
7. Block Diagram
Block Diagram
BASIC CUB
BLOCK DIAGRAM
BALANCED
LED INDICATION
LEFT
RIGHT
EFX
PEAK
SIGNAL
BALANCEED
BALANCEED
+
MIC / LINE
INPUT
-
LF
100Hz
E.Q.
+-16dB
E.Q.
+-15dB
GAIN
MIC
LINE
EFX
HF
10KHz
HF
10KHz
LF
100Hz
PEAK
ON
+
+
+
LEFT
OUTPUT
RIGHT
OUTPUT
+
+
-
-
-
-
LEFT
VOL.
RIGHT
VOL.
FUSE
POWER ON
+15VDC
-15VDC
POWER SUPPLY
EFX SECTION
L
E
N
230V T500mA
EFX
CHANNEL
VOLUME
CHANNEL
VOLUME
PEAK
ON
Delay
RepeatRepeat
EFX CONTROL
EFFECT BOARD
1 - 4
SECTION
+5VDC
UNBALANCEED
+
+
STEREO INPUT
-
-
RIGHT
LEFT/
MONO