EasyManua.ls Logo

Stulz ULTRASONIC - Page 25

Stulz ULTRASONIC
71 pages
Print Icon
To Next Page IconTo Next Page
To Next Page IconTo Next Page
To Previous Page IconTo Previous Page
To Previous Page IconTo Previous Page
Loading...
25
Copyright STULZ GmbH 02/1997
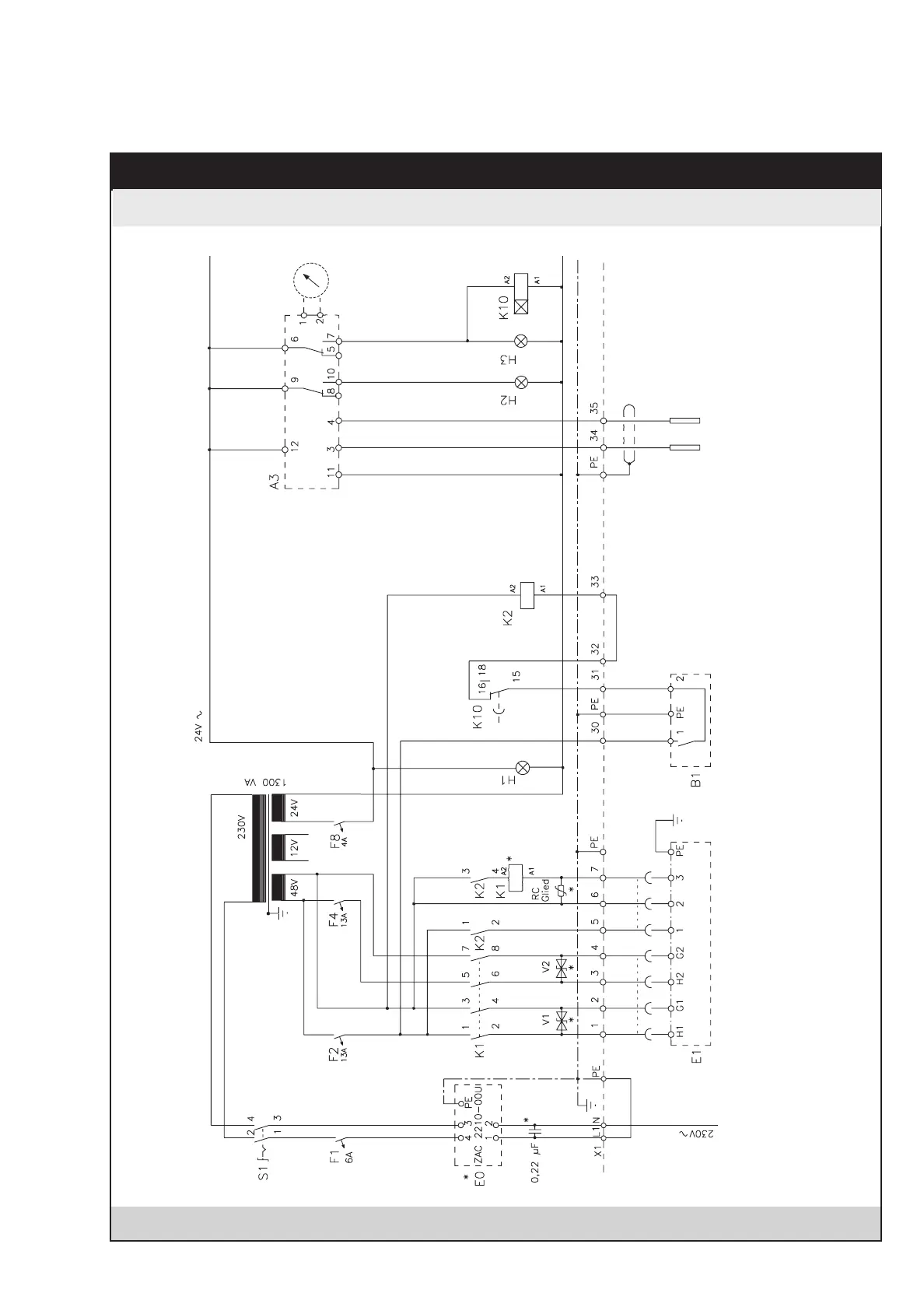
ULTRASONIC
Control Box with Hygrostat and Conductimeter
ENS 14 - 18 ON/OFF CONTROL
Hygrostat
Ultrasonic - ENS 14
Ultrasonic - ENS 18
! ! ATTENTION ! !
Filter ZAC 2210-00U
and capacitator C1
following the CE-EMC
guidelines (enclosed
for EU)
Humidifier
The parts supplied by STULZ
are identified with *.
Non screened cable max. 5m
Screened cable max. 20m
conductivity
sensor
Pre-alarm
5 µS
Alarm
20 µS
15-300s
conductimeter
E71T2.PM5 17.04.97, 10:4625

Related product manuals