EasyManua.ls Logo

Stulz ULTRASONIC - Page 43

Stulz ULTRASONIC
71 pages
Print Icon
To Next Page IconTo Next Page
To Next Page IconTo Next Page
To Previous Page IconTo Previous Page
To Previous Page IconTo Previous Page
Loading...
ULTRASONIC
43
Copyright STULZ GmbH 02/1997
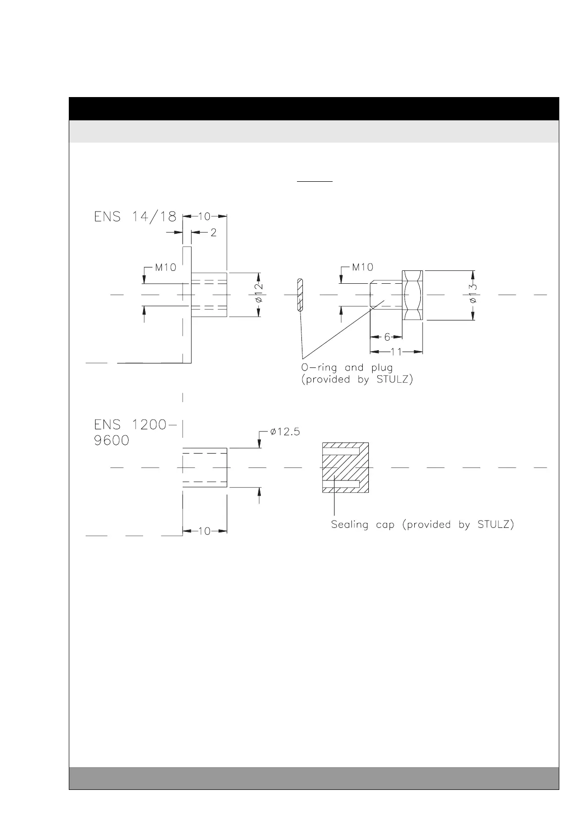
ASSEMBLY ENS SERIES
Drain
Connection to a drain pipe with solenoid valve is only
required when due to special hygienic regulations the
draining off of the water is necessary after a prolonged
humidifier standstill.

Related product manuals