EasyManua.ls Logo

Subaru EH09-2D - Page 17

Subaru EH09-2D
47 pages
Print Icon
To Next Page IconTo Next Page
To Next Page IconTo Next Page
To Previous Page IconTo Previous Page
To Previous Page IconTo Previous Page
Loading...
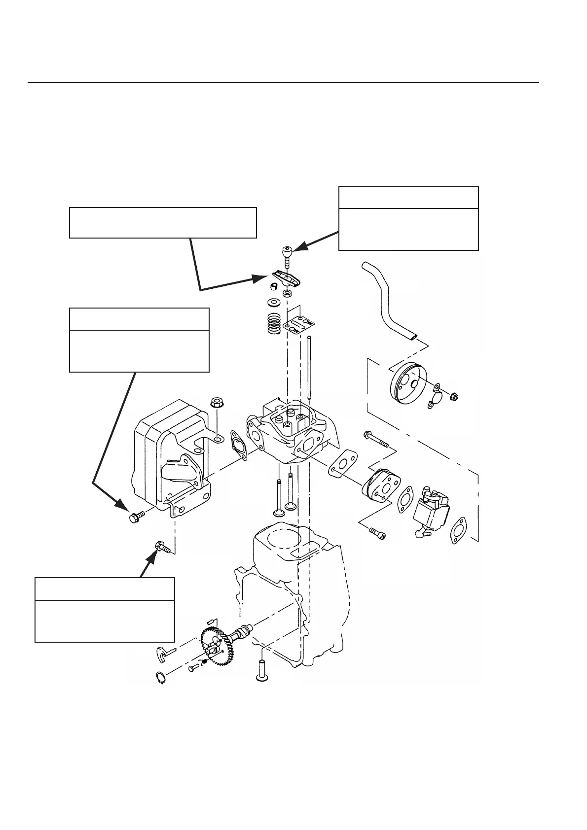
– 15
INTAKE, EXHAUST
Camshaft CP
Rocker Arm
Intake Chamber
Muffler
Tightening torque
7 - 9 N•m
(70 - 90 kgf•cm)
(5.0 - 6.5 ft•lb.)
Tightening torque
17 - 19 N•m
(170 - 190 kgf•cm)
(12.3 - 13.7 ft•lb.)
Tightening torque
8.5 - 10.5 N•m
(85 - 105 kgf•cm)
(6.1 - 7.5 ft•lb.)
Valve clearance : 0.07 - 0.13 mm
(0.0028 - 0.0051 in.)

Related product manuals