EasyManua.ls Logo

Subaru EH09-2D - Page 18

Subaru EH09-2D
47 pages
Print Icon
To Next Page IconTo Next Page
To Next Page IconTo Next Page
To Previous Page IconTo Previous Page
To Previous Page IconTo Previous Page
Loading...
– 16
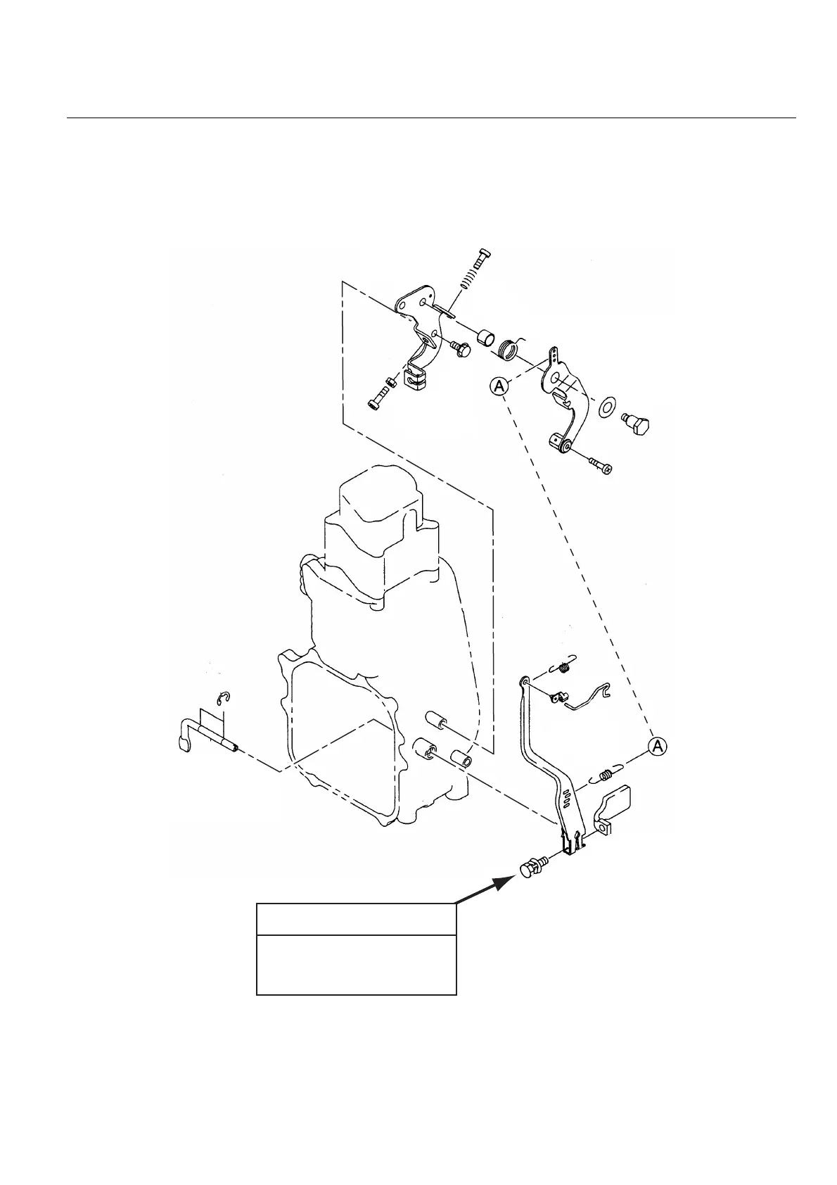
GOVERNOR, SPEED CONTROL
Governor Shaft
Base Plate
Governor Lever
Speed Control AY
Tightening torque
7 - 9 N•m
(70 - 90 kgf•cm)
(5.0 - 6.5 ft•lb.)

Related product manuals