EasyManua.ls Logo

Sullair 1109e - Page 56

Sullair 1109e
102 pages
Print Icon
To Next Page IconTo Next Page
To Next Page IconTo Next Page
To Previous Page IconTo Previous Page
To Previous Page IconTo Previous Page
Loading...
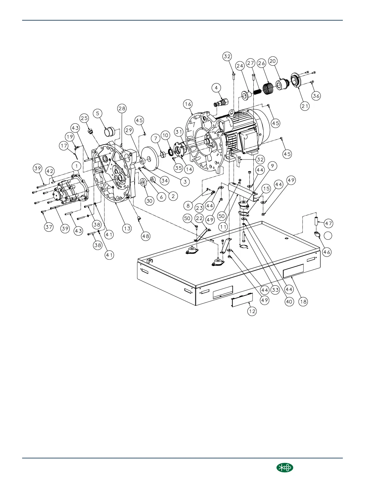
7.3 COMPRESSOR, FRAME AND DRIVE (CONTINUED)
A1
02250157-804R04
SECTION 7
52
1100e, 1500e, 1800e Operator’s Manual and Parts List
®SULLAIR®

Table of Contents

Other manuals for Sullair 1109e

Related product manuals