EasyManua.ls Logo

Sullair 375 - Page 112

Sullair 375
120 pages
Print Icon
To Next Page IconTo Next Page
To Next Page IconTo Next Page
To Previous Page IconTo Previous Page
To Previous Page IconTo Previous Page
Loading...
106
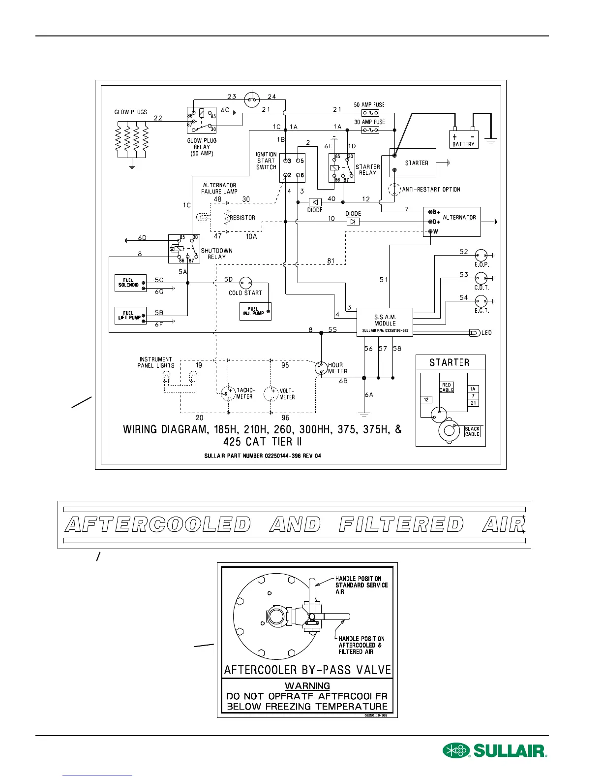
375 Caterpillar Standard and Aftercooled/Filtered Operator’s Manual and Parts List
SECTION 7
7.19 DECALS (CONTINUED)
02250075-505-r00
02250119-385-r01
02250144-396R04
40
41
42

Table of Contents

Other manuals for Sullair 375

Related product manuals