EasyManua.ls Logo

Sullair 375 - Page 24

Sullair 375
120 pages
Print Icon
To Next Page IconTo Next Page
To Next Page IconTo Next Page
To Previous Page IconTo Previous Page
To Previous Page IconTo Previous Page
Loading...
18
375 Caterpillar Standard and Aftercooled/Filtered Operator’s Manual and Parts List
SECTION 2
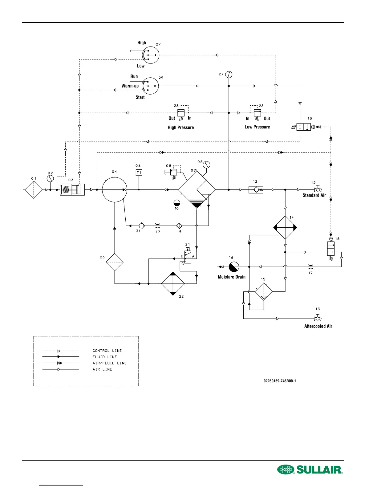
Figure 2-6: Piping and Instrumentation Diagram
High
Low
Run
Warm-up
Start
Out
Out
In
In
High Pressure
Low Pressure
Standard Air
Moisture Drain
Aftercooled Air
02250169-746R00-1

Table of Contents

Other manuals for Sullair 375

Related product manuals