EasyManua.ls Logo

Sullair 375 - Page 58

Sullair 375
120 pages
Print Icon
To Next Page IconTo Next Page
To Next Page IconTo Next Page
To Previous Page IconTo Previous Page
To Previous Page IconTo Previous Page
Loading...
52
375 Caterpillar Standard and Aftercooled/Filtered Operator’s Manual and Parts List
SECTION 7
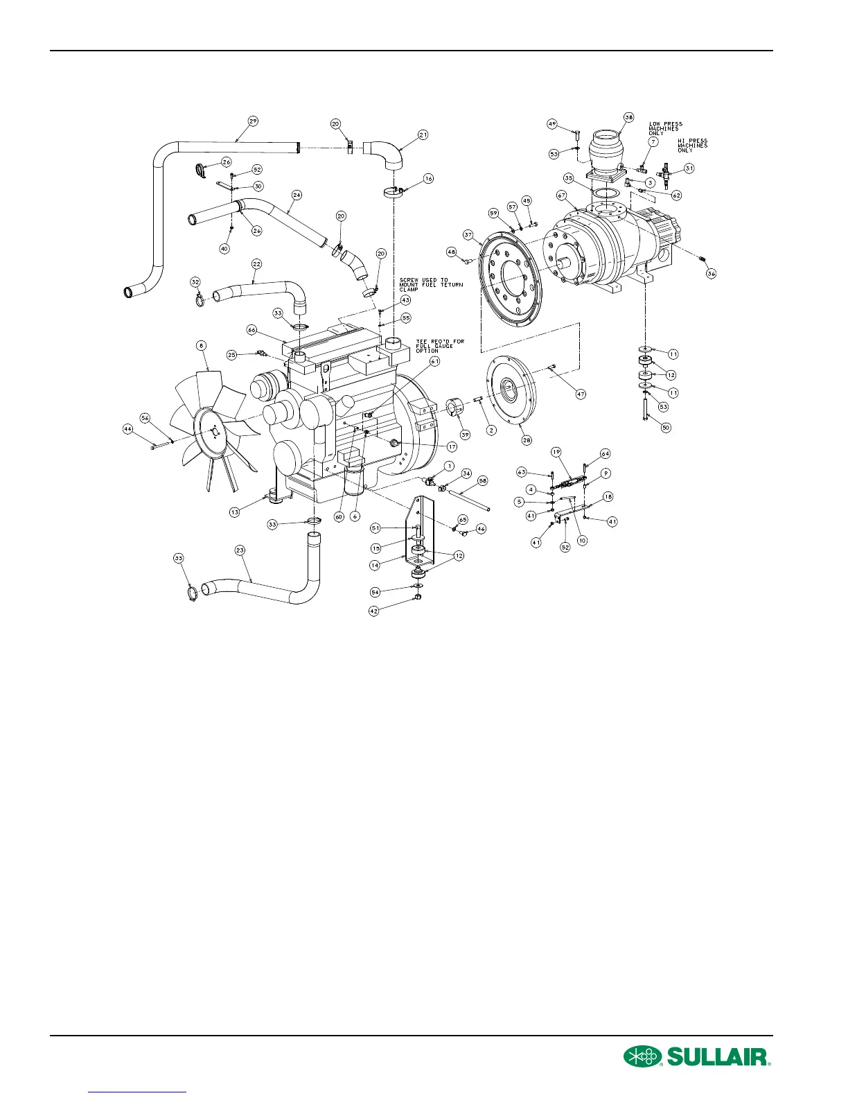
7.3 ENGINE, COMPRESSOR AND PARTS (CONTINUED)
02250170-256-r00

Table of Contents

Other manuals for Sullair 375

Related product manuals