EasyManua.ls Logo

Sullair 375HH - Page 110

Sullair 375HH
164 pages
Print Icon
To Next Page IconTo Next Page
To Next Page IconTo Next Page
To Previous Page IconTo Previous Page
To Previous Page IconTo Previous Page
Loading...
104
375 John Deere Standard and Aftercooled/Filtered Operator’s Manual and Parts List
SECTION 7
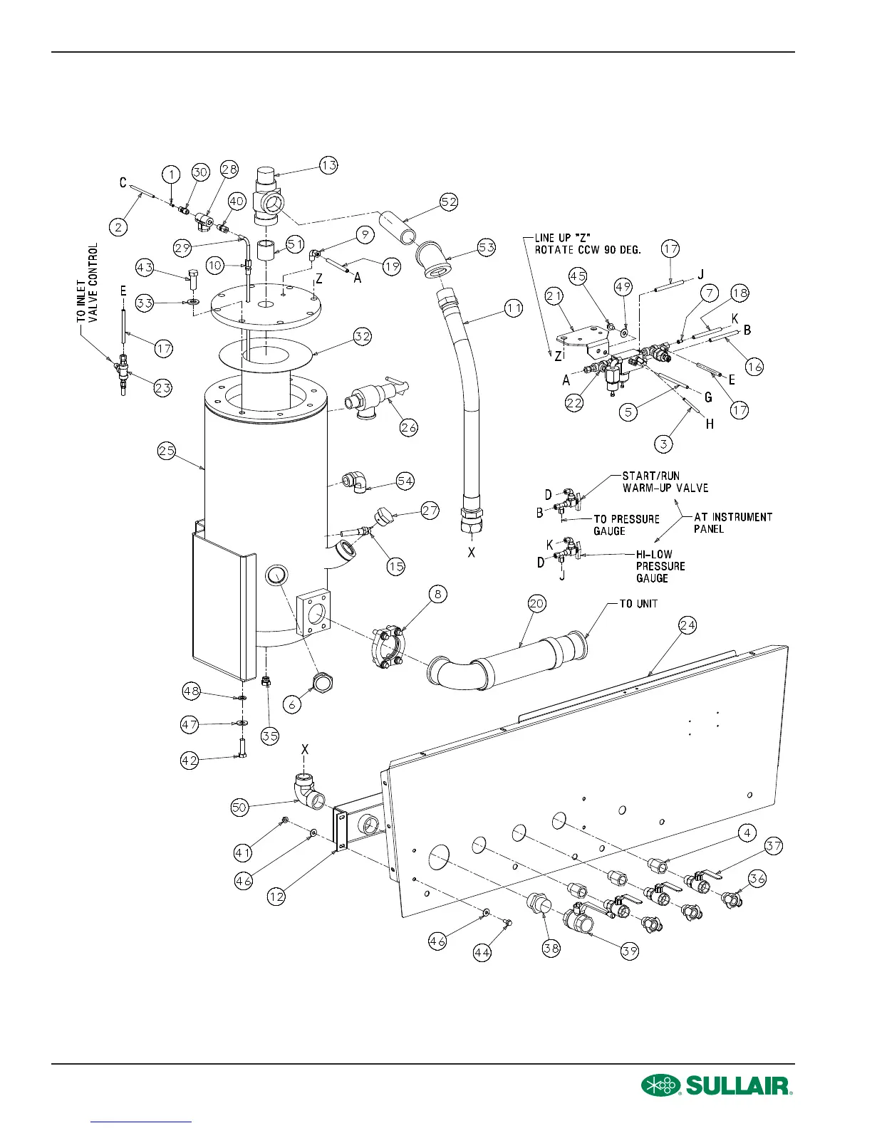
7.7a CONTROL PARTS & DISCHARGE PARTS - 300HH, 375H, 375HH AND 425H
CE (EUROPEAN) MODELS
02250173-017R02

Table of Contents

Other manuals for Sullair 375HH

Related product manuals