EasyManua.ls Logo

Sullair 4500 - Wiring Diagram: Air-Cooled MFV w; Dryer

Sullair 4500
72 pages
Print Icon
To Next Page IconTo Next Page
To Next Page IconTo Next Page
To Previous Page IconTo Previous Page
To Previous Page IconTo Previous Page
Loading...
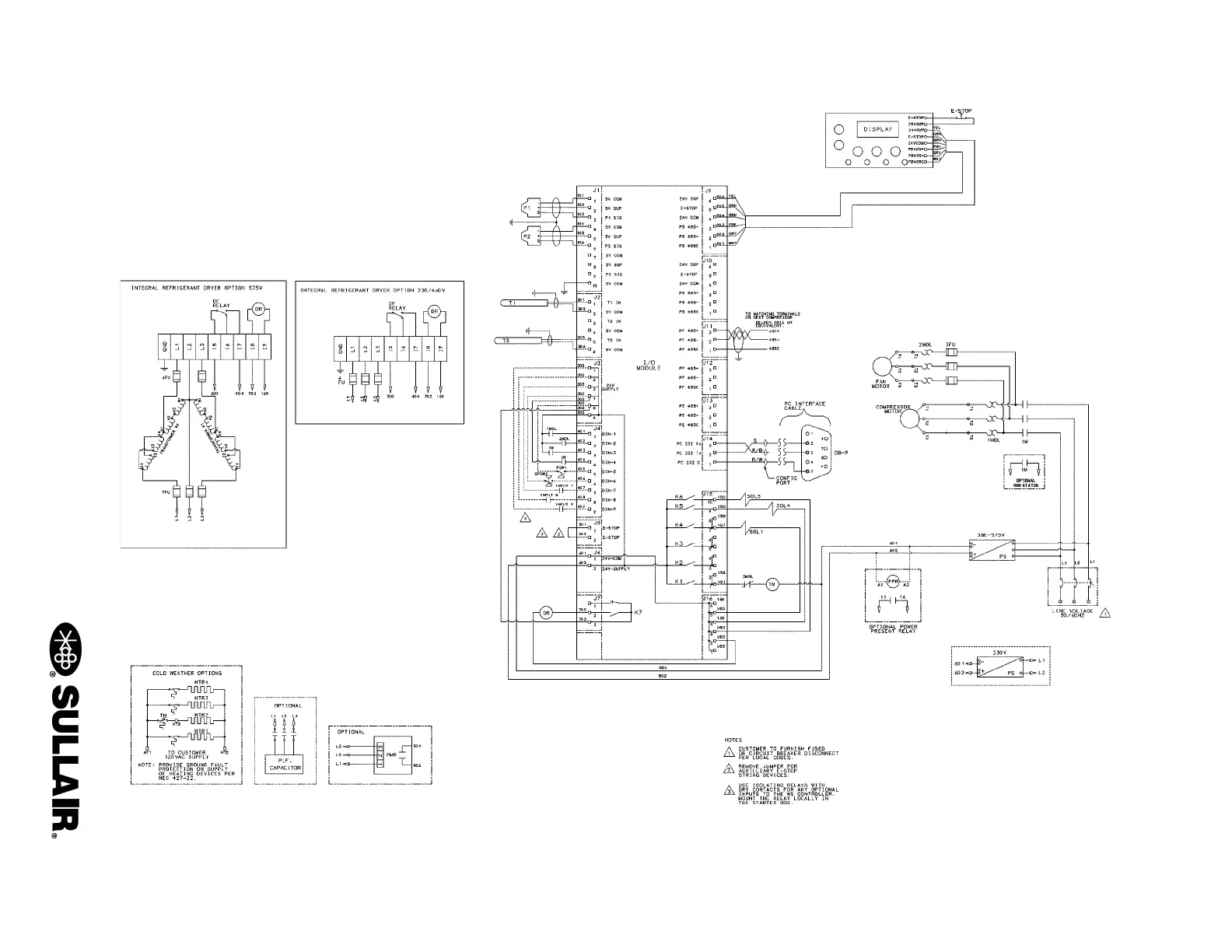
3000P-4500 USER MANUAL SECTION 3
44
3.14 WIRING DIAGRAM, AIR-COOLED MFV WITH INTEGRAL DRYER
02250171-938-R04

Related product manuals