EasyManua.ls Logo

Sullair 4500 - Wiring Diagram: YD CE

Sullair 4500
72 pages
Print Icon
To Next Page IconTo Next Page
To Next Page IconTo Next Page
To Previous Page IconTo Previous Page
To Previous Page IconTo Previous Page
Loading...
3000P-4500 USER MANUAL SECTION 3
48
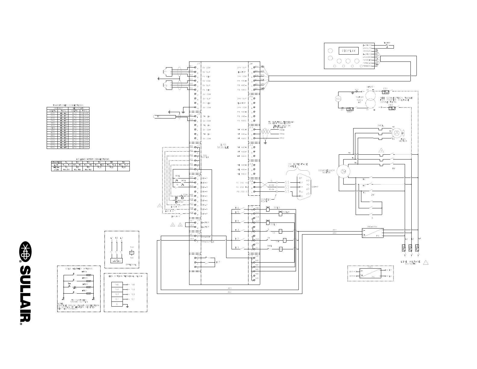
3.16 WIRING DIAGRAM, YD CE
02250178-718-R00

Related product manuals