EasyManua.ls Logo

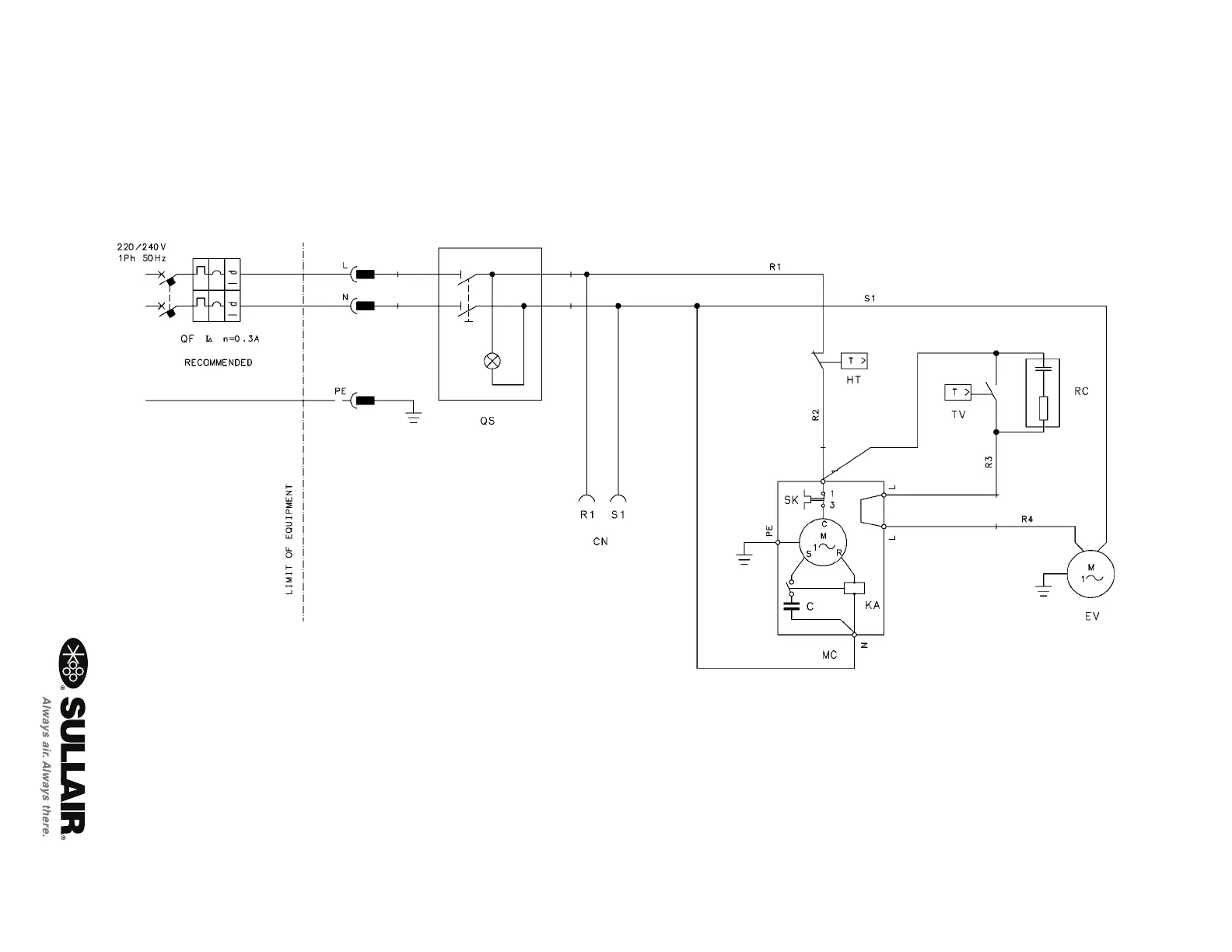
Sullair ES-6 series - Wiring Diagram: SRS 9-18 220-240 V;1;50

Sullair ES-6 series
84 pages
To Next Page IconTo Next Page
To Next Page IconTo Next Page
To Previous Page IconTo Previous Page
To Previous Page IconTo Previous Page
Loading...
ES-6 USER MANUAL SECTION 3
56
3.21 WIRING DIAGRAM—SRS 9-18 220-240V/1/50
02250171-738 R00

Other manuals for Sullair ES-6 series

Related product manuals