EasyManua.ls Logo

Sungrow DTSU666 - System Wiring; Overall System Wiring; Backup Circuit Wiring

Sungrow DTSU666
11 pages
Print Icon
To Next Page IconTo Next Page
To Next Page IconTo Next Page
To Previous Page IconTo Previous Page
To Previous Page IconTo Previous Page
Loading...
GD_202011_RT Series_3-Phase Hybrid Inverter Commissioning Guide_V1.0 Page 3 of 11
© Sungrow Australia Group Pty. Ltd. All rights reserved.
As we continuously improving our services, changes to this document may occur without notice.
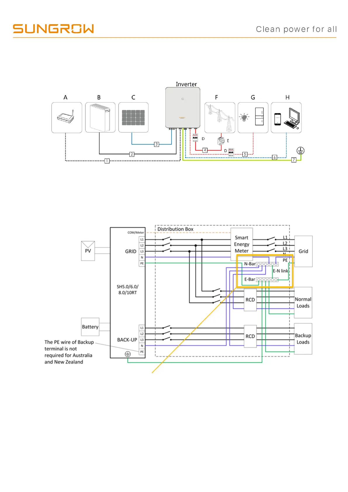
1. System Wiring
1.1 Overall System Wiring
1.2 Backup Circuit Wiring (Important!)
Ensure the AC wiring conforms to the user manual. Otherwise, any other wiring
configuration may cause error 015 (Grounding cable fault).
Both the Neutral and Earth connection from the Backup output must be
connected to the Earth and Neutral bar in the main switchboard and must be
connected to the M.E.N. link.
RCD’s must comply with AS/NZS3000.

Related product manuals