EasyManua.ls Logo

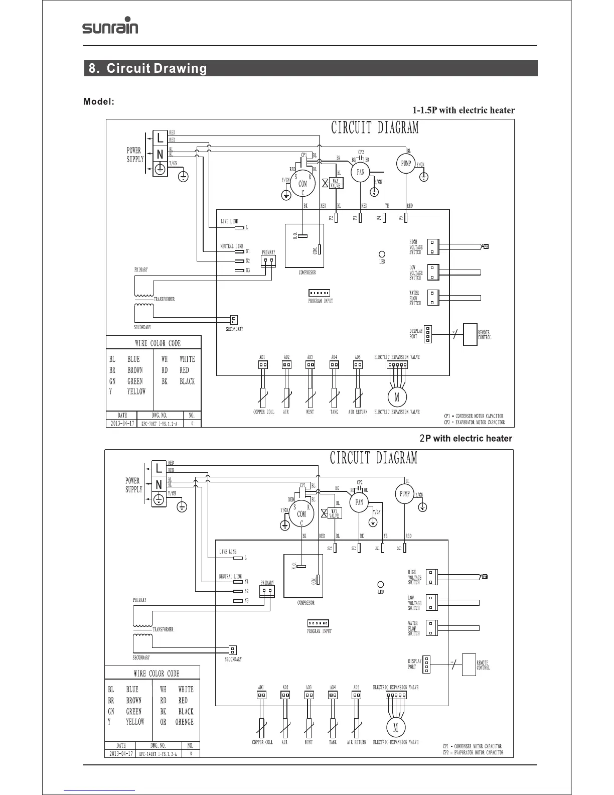
Sunrain KFC-75XTI - Circuit Drawing

Sunrain KFC-75XTI
28 pages
Print Icon
To Next Page IconTo Next Page
To Next Page IconTo Next Page
To Previous Page IconTo Previous Page
To Previous Page IconTo Previous Page
Loading...
KFC-75XTⅠ/ KFC- 110XTⅠ/KFC-150XT
21

Related product manuals