EasyManua.ls Logo

Sunsystem PS Series - 8 Schemes

Sunsystem PS Series
44 pages
Print Icon
To Next Page IconTo Next Page
To Next Page IconTo Next Page
To Previous Page IconTo Previous Page
To Previous Page IconTo Previous Page
Loading...
36
INSTALLATION and OPERATION MANUAL
INSTALLATION and OPERATION MANUAL
INSTALLATION and OPERATION MANUAL INSTALLATION and OPERATION MANUAL
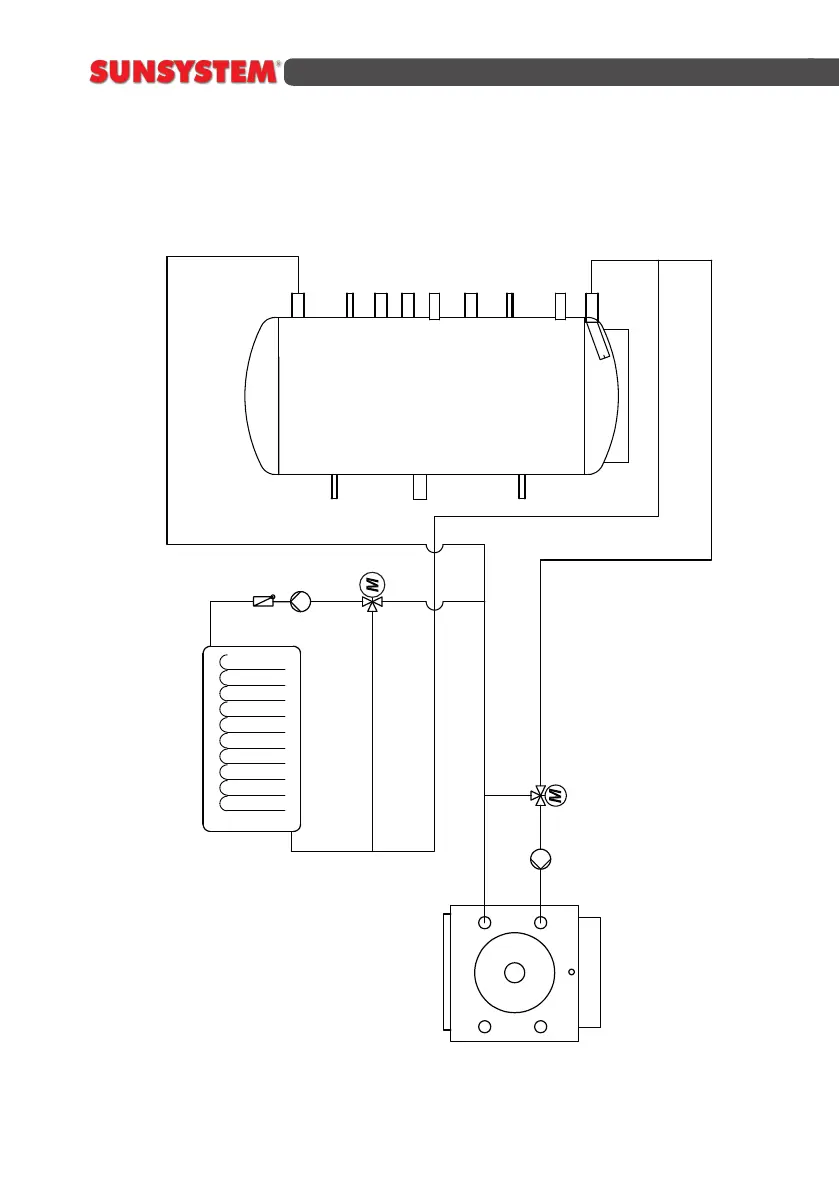
8. SHEMES
t<65°C

Other manuals for Sunsystem PS Series

Related product manuals