EasyManua.ls Logo

SUNWARD SWE60UF - Circuit Diagram

SUNWARD SWE60UF
196 pages
Print Icon
To Next Page IconTo Next Page
To Next Page IconTo Next Page
To Previous Page IconTo Previous Page
To Previous Page IconTo Previous Page
Loading...
120
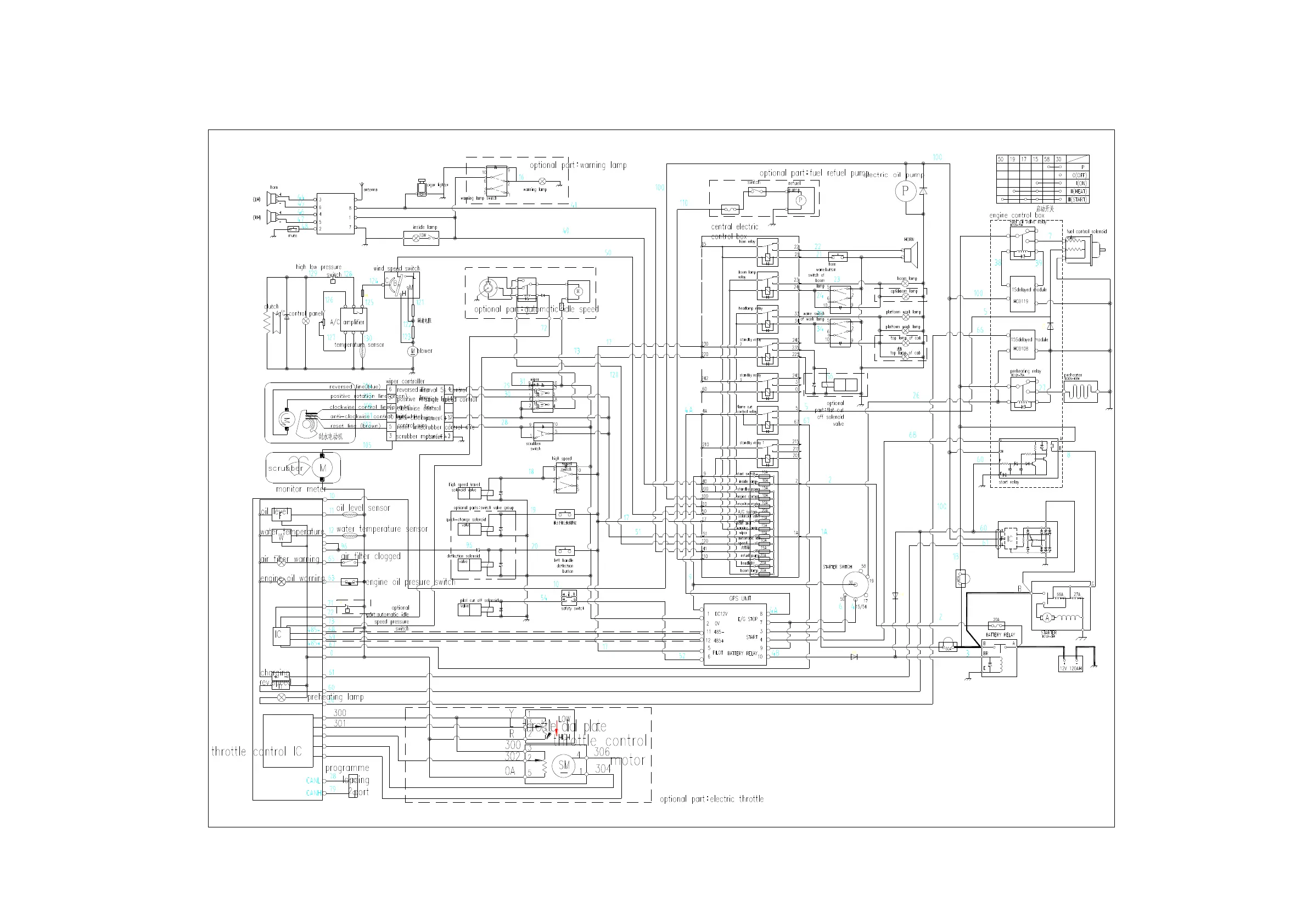
6.1.4 Circuit Diagram
2R
2RL
+
2B
-
FUSE
100μF 50V
100μF 50V
motor-sw
motor
-
+
relay
FUSE
B
G
R

Table of Contents

Related product manuals