EasyManua.ls Logo

SUNWARD SWE60UF - Hydraulic Diagram

SUNWARD SWE60UF
196 pages
Print Icon
To Next Page IconTo Next Page
To Next Page IconTo Next Page
To Previous Page IconTo Previous Page
To Previous Page IconTo Previous Page
Loading...
150
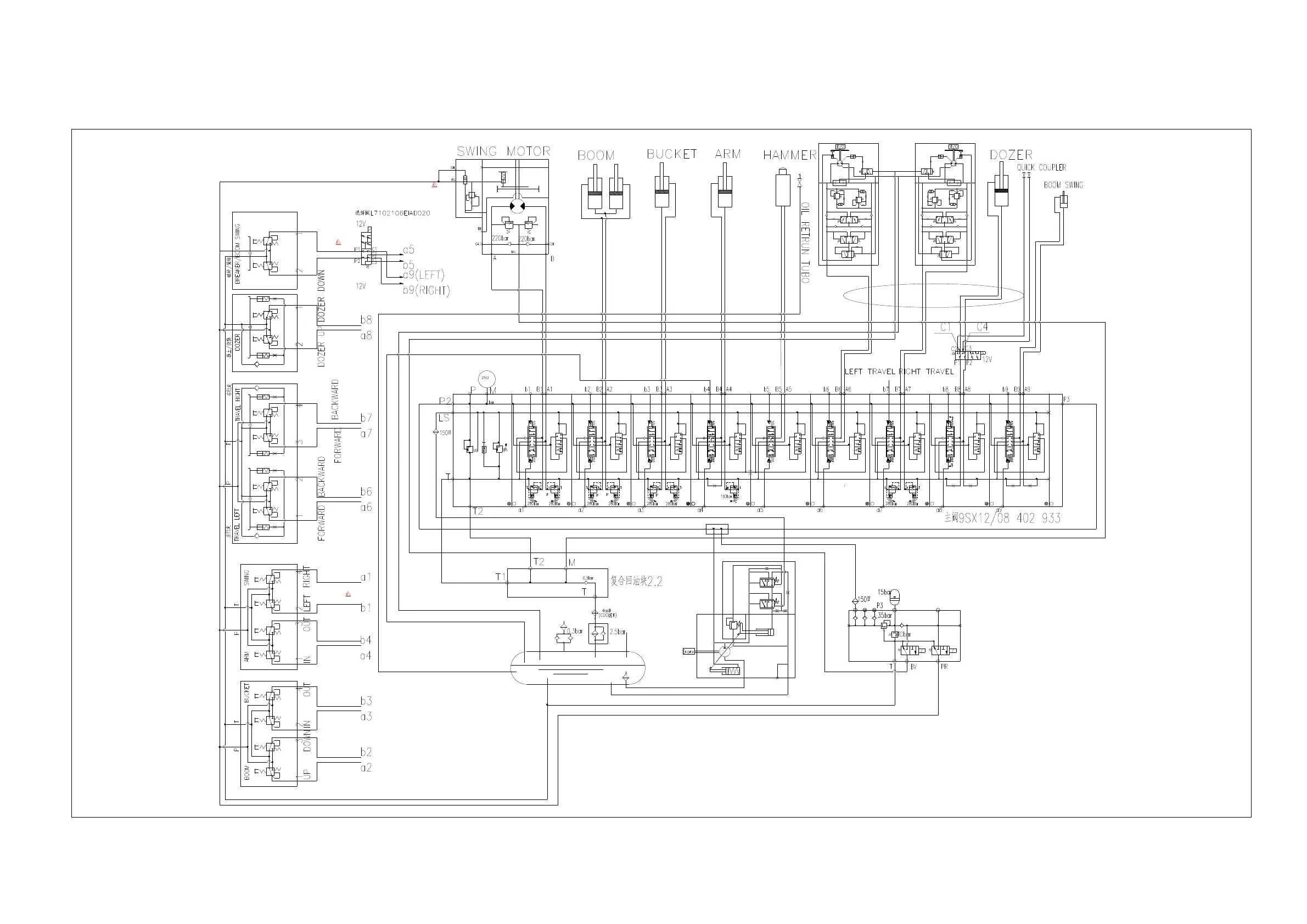
6.5.6 Hydraulic Diagram

Table of Contents

Related product manuals