EasyManua.ls Logo

Superior MONIA - Wiring Diagram for Components

Superior MONIA
44 pages
Print Icon
To Next Page IconTo Next Page
To Next Page IconTo Next Page
To Previous Page IconTo Previous Page
To Previous Page IconTo Previous Page
Loading...
H07023380 / DT2000477-03
F
N
FUMI
SCAM
COC
ACC
AL1
DISPLAY
SERIALE
AMB
EXT
BL-
RO+
ENC
+5V
GND
BLU
A
C
D
E
F
G
H
L
M
N
O
P
Q
R
S
V
1 1
2
2
2
2
5
3
3
3
4
5
4
5
5
6
6
6
7
5
3
J
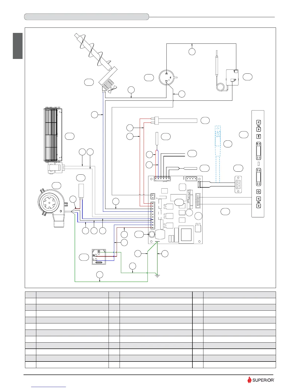
2.6 WIRING DIAGRAM
DT2032293-02
POS. KEY TO PARTS
A Control display
B -
C Room fan
D Pellet-loading auger
E Flue gas fan
F Capacitor
G N.O. Pressure switch (normally open)
H N.C. 80° thermostat (normally closed)
I -
J Remote control receiver (optional)
POS. KEY TO PARTS
M
Power supply with fuse (5X20 4AH250V)
N Smoke sensor
O Room sensor
P External thermostat
Q Serial port DB9
R Motherboard
S Fuse 5X20 4AL250V
T -
U -
V Flat cable
NO. KEY TO COLOURS
1 White
2 Yellow-green
3 Black
4 Brown
5 Blue
6 Red
7 Grey
L Igniter plug Z -
English
14