EasyManua.ls Logo

Suzuki AY50 - Wiring Diagram AY50 W and AY50 WS

Suzuki AY50
268 pages
Print Icon
To Next Page IconTo Next Page
To Next Page IconTo Next Page
To Previous Page IconTo Previous Page
To Previous Page IconTo Previous Page
Loading...
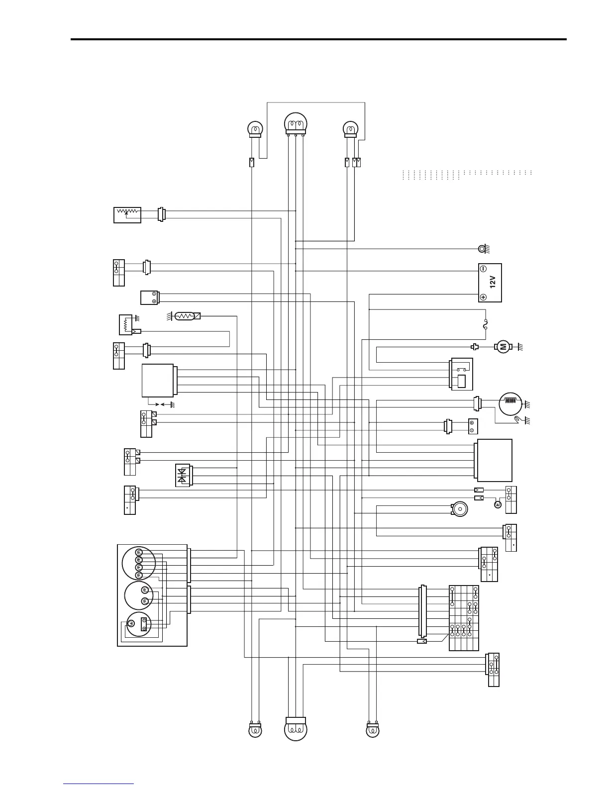
AY50K3/SK3/WK3/WSK3 (’03-MODEL) 12-17
AY50W AND AY50WS
P-02
FRONT TURN SIGNAL LIGHT(R)
FRONT TURN SIGNAL LIGHT(L)
HEADLIGHT
REAR TURN SIGNAL LIGHT(R)
REAR TURN SIGNAL LIGHT(L)
WIRE COLOR
B
Br
G
Gr
Lbl
Lg
O
P
R
W
Y
B/G
B/R
B/W
Bl/B
Bl/W
G/W
R/B
R/W
W/B
W/Bl
Y/B
Y/G
Y/W
Black
Brown
Green
Gray
Light blue
Light green
Orange
Pink
Red
White
Yellow
Black with Green tracer
Black with Red tracer
Black with White tracer
Blue with Black tracer
Blue with White tracer
Green with White tracer
Red with Black tracer
Red with White tracer
White with Black tracer
White with Blue tracer
Yellow with Black tracer
Yellow with Green tracer
Yellow with White tracer
BRAKE LIGHT/TAILLIGHT
FUSE
BATTERY
GROUND
PTC
GENERATOR
STARTER MOTOR
STARTER
RELAY
REGULATOR/
RECTIFIER
TRUNK LIGHT
SWITCH
HORN
DIMMER SWITCH
TURN SIGNAL
LIGHT SWITCH
HORN BUTTON
IGNITION SWITCH
SPEEDOMETER
FUEL
CDI/IGNITION
COIL
BRAKE LIGHT
SWITCH (REAR)
BRAKE LIGHT
SWITCH (FRONT)
STARTER
BUTTON
DIODE
THERMO
SWITCH
OIL LEVEL
INDICATOR
LIGHT SWITCHCARBURETOR
HEATER
TURN
SIGNAL
RELAY
FUEL LEVEL
GAUGE
SP
TU OI WT HI
WATER
TEMP.
SWITCH
PUSH
ON
OFF
ON
OFF
ON
OFF
ON
OFF
LO
HI
L
R
PUSH
PUSH
P
LOCK
OFF
C
ON
Y/B
Gr
B/W
O
Lg
B
Bl/W
B/G
Y
Y/B
Y/W
B/W
O
Lg
B
Bl/W
B/G
Y
Y/G
B/W
O
W/B
Bl/W
Bl/B
B/G
O
W/B
W/Bl
B/R
P
B/W
Y/W
Y
Y
Y/W
Y/W
B/G
O
Lbl
Bl/W
B/W
Y/B
B/W
Y/B
B/W
Bl/W
B/W
Y/W
W
Y
B
Lbl
Lg
G
B/W
O
G
R
B/W
B/W
Y/W
P
Y
P
Y
B/W
Y/W
Y/G
W/B
R
R/W
R/W
R
R
R
B/W
B/W
R/W
Y/W
B/W
R
Y
W/Bl
R
B/W
B/R
R/B
B/W
Bl/W
O
R
Gr
Br
B/R
B/W
Bl/B
O
R
Y/W
Br
Lg
W/B
B/W
Br
B
B/W
B/W
Lg
B
B/W
Lg
B/W
Y
B/W
W
B
B/W
Y/B
Gr
B/W
O
Lg
B
Bl/W
B/G
Y
Y/B
Y/W
B/W
O
Lg
B
Bl/W
B/G
Y
Y/G
B/W
O
W/B
Bl/W
Bl/B
B/G
O
W/B
W/Bl
B/R
P
B/W
Y/W
Y
Y
Y/W
Y/W
B/G
O
Lbl
Bl/W
B/W
Y/B
B/W
Y/B
B/W
Bl/W
B/W
Y/W
W
Y
B
Lbl
Lg
G
B/W
O
G
R
B/W
B/W
Y/W
P
Y
P
Y
B/W
Y/W
Y/G
W/B
R
R/W
R/W
R
R
R
B/W
B/W
R/W
Y/W
B/W
R
Y
W/Bl
R
B/W
B/R
R/B
B/W
Bl/W
O
R
Gr
Br
B/R
B/W
Bl/B
O
R
Y/W
Br
Lg
W/B
B/W
Br
B
B/W
B/W
Lg
B
B/W
Lg
B/W
Y
B/W
W
B
B/W
SP : SPEEDOMETER LIGHT
TU : TURN SIGNAL INDICATOR LIGHT
OI : OIL LEVEL INDICATOR LIGHT
HI : HIGH BEAM INDICATOR LIGHT

Table of Contents