EasyManua.ls Logo

Suzuki df2.5 - Wire Routing Diagram and Schematics

Suzuki df2.5
204 pages
Print Icon
To Next Page IconTo Next Page
To Next Page IconTo Next Page
To Previous Page IconTo Previous Page
To Previous Page IconTo Previous Page
Loading...
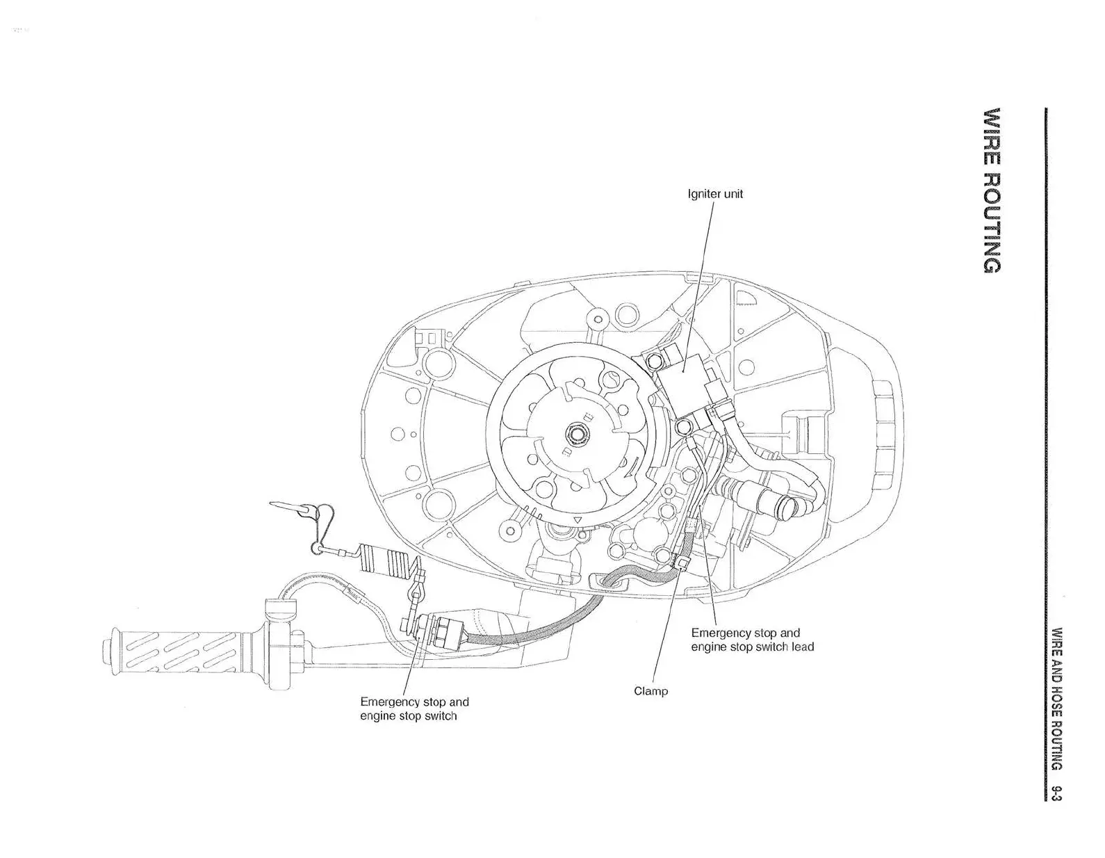
Igniter unit
Clamp
:e
-
JJ
m
JJ
0
c
-1
......
z
G)
::fE
55
m
z
0
:::t:
0
Ch
m
:::0
0
c::
::::!
z
G)
<D
l>

Table of Contents

Other manuals for Suzuki df2.5

Related product manuals