EasyManua.ls Logo

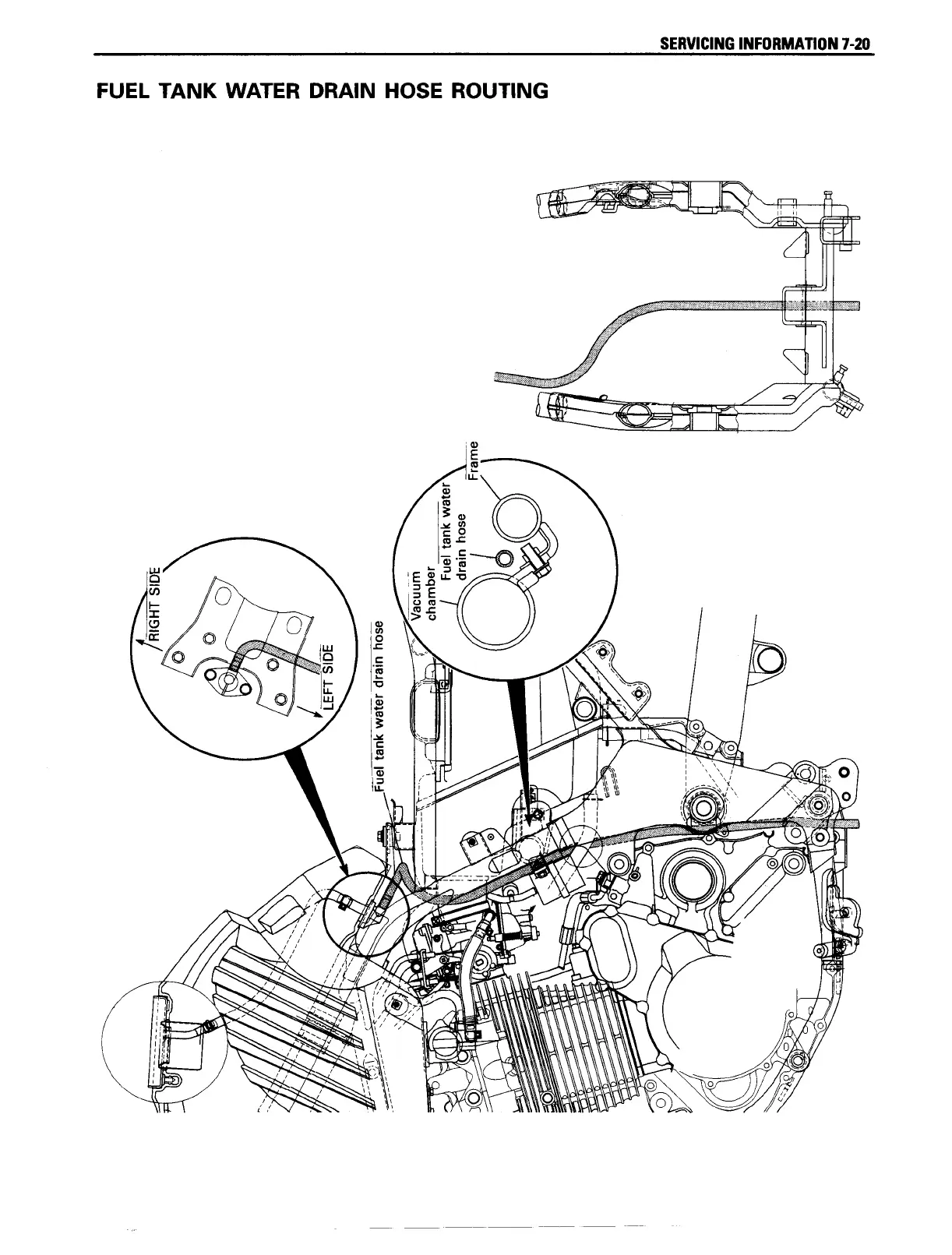
Suzuki freewind - Fuel Tank Water Drain Hose Routing Diagram

Suzuki freewind
349 pages
Print Icon
To Next Page IconTo Next Page
To Next Page IconTo Next Page
To Previous Page IconTo Previous Page
To Previous Page IconTo Previous Page
Loading...

Table of Contents

Related product manuals