EasyManua.ls Logo

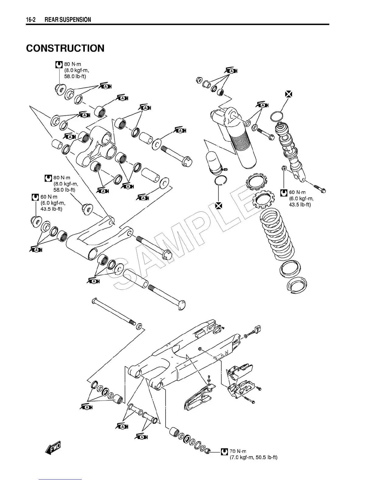
Suzuki RM 250 - Rear Suspension Construction

Suzuki RM 250
229 pages
Print Icon
To Next Page IconTo Next Page
To Next Page IconTo Next Page
To Previous Page IconTo Previous Page
To Previous Page IconTo Previous Page
Loading...

Table of Contents

Related product manuals