EasyManua.ls Logo

SVS PC-2000 PRO - Page 8

SVS PC-2000 PRO
19 pages
Print Icon
To Next Page IconTo Next Page
To Next Page IconTo Next Page
To Previous Page IconTo Previous Page
To Previous Page IconTo Previous Page
Loading...
PC-2000 Pro
SUBWOOFER
CONNECTING & CONTROLLING YOUR SUBWOOFER
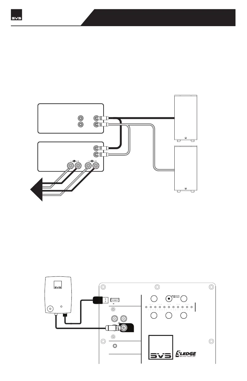
Connecting Multiple Subwoofers or “Going Dual” (cont’d)
In a 2-channel system you can set up Stereo Subwoofers, where one is used for the Left
Channel and one for the Right Channel. Typically, the subwoofers will be symmetrically
placed according to your speakers. And be sure to maintain all the correct Left and
Right output and input connections to ensure optimum performance.
LINE LEVEL OUTPUTS
REAR FRONT
R
L
RECEIVER/PREAMP
LINE LEVEL INPUTS
SPEAKER LEVEL
OUTPUTS
R
L
TO
SPEAKERS
POWER AMPLIFIER
Going Wireless
If you want to add wireless connectivity via the SVS SoundPath Wireless Adapter (sold separately),
your PC-2000 Pro conveniently includes a USB input on the amplier plate to easily power the
Receiver. Set-up is simple and quick and separate instructions are included with the adapter.
NOTE: The PC-2000 Pro amplier should be turned o when making all connections.
R
3V-12V | AC/DC
L
+
VOL
LOW
PASS
LOW PASS
PHASE
PHASE
90° 180°
30Hz 40Hz 60Hz 90Hz 140Hz LFE
_
LINE LEVEL
INPUT OUTPUT
TRIGGER INPUT
SVS SOUNDPATH WIRELESS
AUDIO ADAPTER
STA-550D
LFE
5V 150mA

Other manuals for SVS PC-2000 PRO

Related product manuals