EasyManua.ls Logo

SVS SB-3000 - Page 11

SVS SB-3000
28 pages
Print Icon
To Next Page IconTo Next Page
To Next Page IconTo Next Page
To Previous Page IconTo Previous Page
To Previous Page IconTo Previous Page
Loading...
owner’s manual | page 9
SB-3000
SUBWOOFER
CONNECTING & CONTROLLING YOUR SUBWOOFER
Enable and adjust the on-board low pass lter of the SB-3000 for a smooth blend with the main
speakers.
NOTE: For additional guidance on speaker/subwoofer crossover settings, please consult our SVS Sound
Experts or our Merlin subwoofer matching tool at www.svsound.com/merlin.
www.svsound.com • custservice@svsound.com • (877) 626-5623
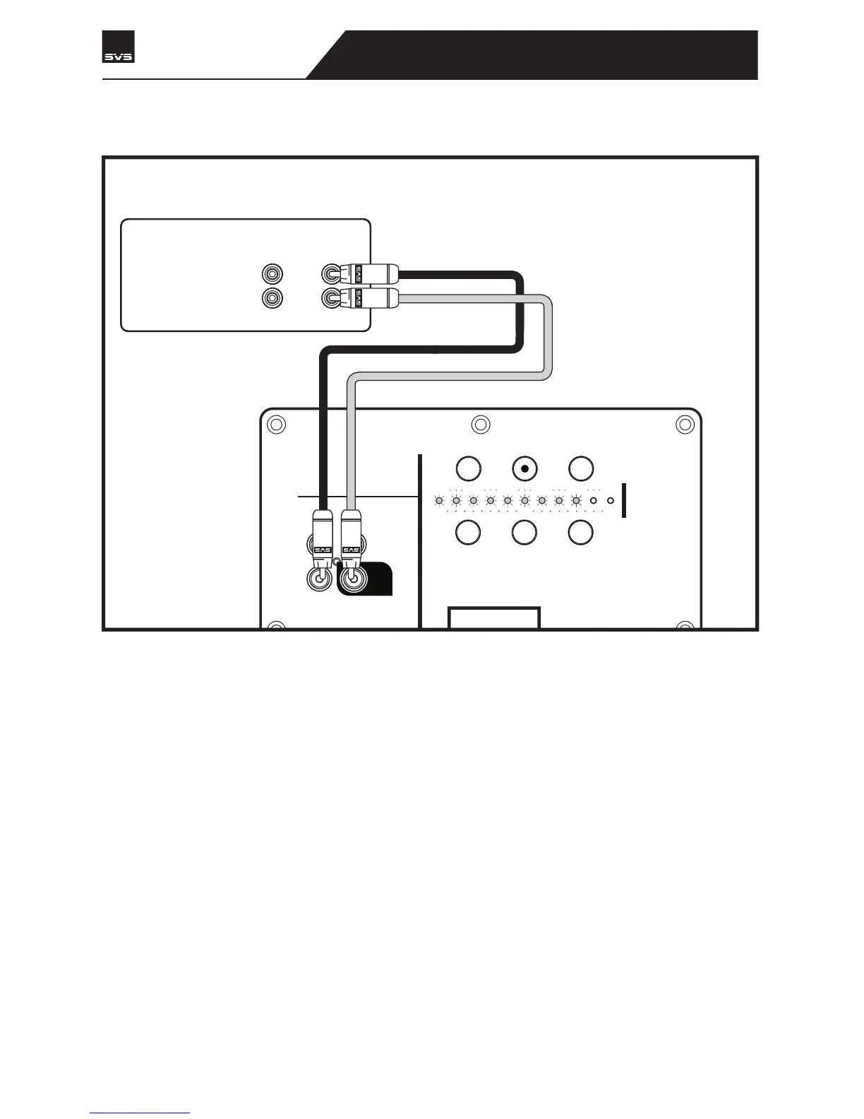
Line Level Connection – Stereo Receiver or Preamplier Left/Right Channels (cont’d)
RL
+
VOL
LOW
PASS
LOW PASS
PHASE
PHASE
90° 180°
30Hz 40Hz 60Hz 90Hz 140Hz LFE
_
LINE LEVEL
INPUT OUTPUT
LFE
AUTO [amber]
ON [blue]
LINE LEVEL OUTPUTS
REAR FRONT
R
L
RECEIVER/PREAMP

Other manuals for SVS SB-3000

Related product manuals