EasyManua.ls Logo

SWELLPRO Splash Drone 4 - Remote Controller Diagram

SWELLPRO Splash Drone 4
52 pages
Print Icon
To Next Page IconTo Next Page
To Next Page IconTo Next Page
To Previous Page IconTo Previous Page
To Previous Page IconTo Previous Page
Loading...
8 ©2021 SwellPro Technology Co., Limited
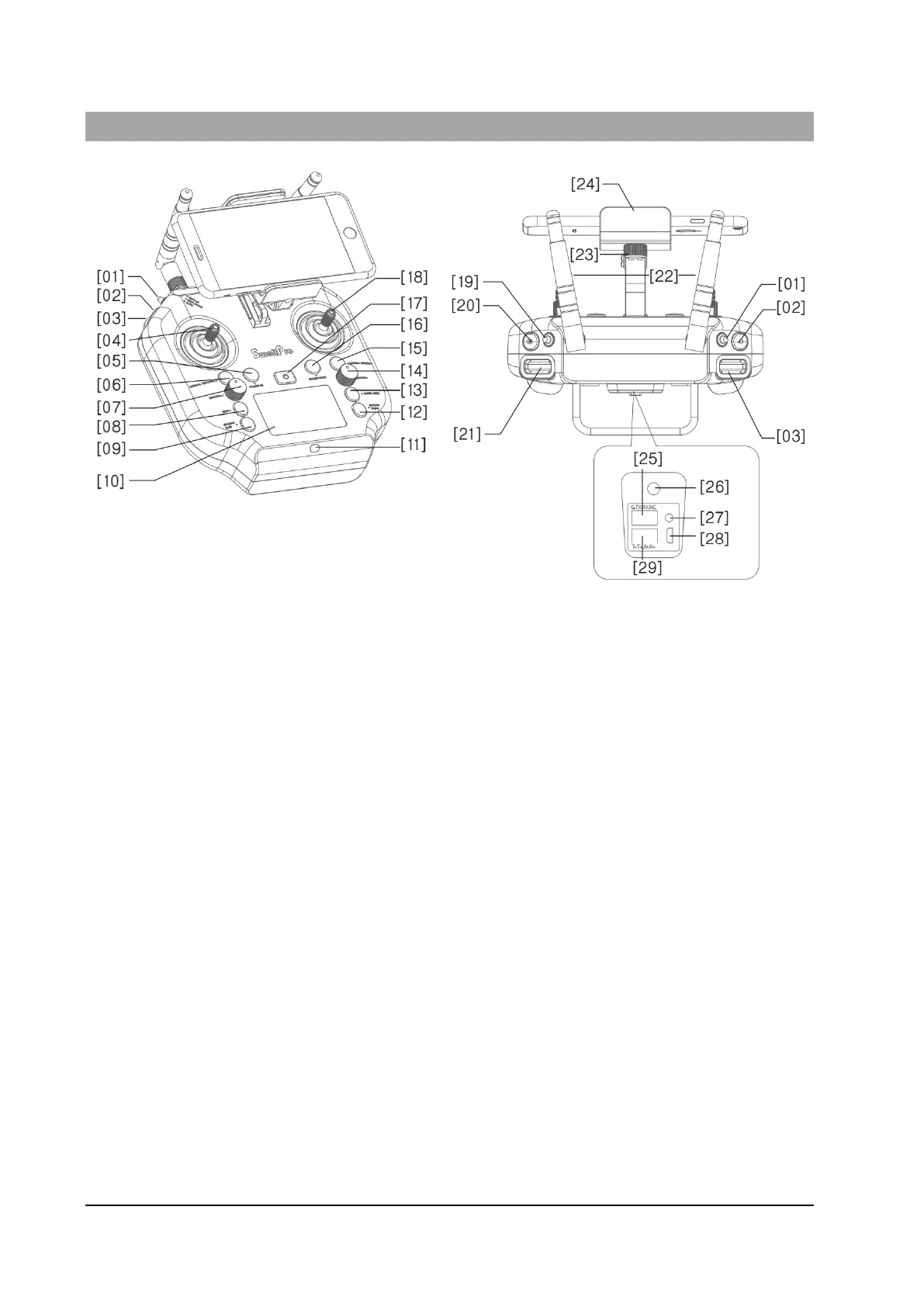
Remote Controller Diagram
[01] Automatic Landing Gear Toggle (Not
applicable)
[02] Video Button
[03] Gimbal Pan/Tilt Roller
[04] Left Joystick (Throttle/Yaw)
[05] Follow Me Button
[06] Smooth+ Yaw Switch Button
[07] Smooth+ Yaw Knob
[08] Boat Mode Switch Button
[09] Left Payload Release Button
[10] Display Screen
[11] Charging Indicator
[12] Right Payload Release Button
[13] Gimbal Mode Switch Button
[14] Smooth+ Roll Knob
[15] Smooth+ Roll Switch Button
[16] RTH Return Home Button
[17] Power Button
[18] Right Joystick (Pitch/Roll)
[19] Flight Mode Toggle
[20] Photo Button
[21] Gimbal Pitch Roller
[22] Antennas
[23] Phone/Tablet Mount Adjustment Knob
[24] Phone/Tablet Mount
[25] Seiral Port
[26] Charging Port
[27] Reset Button
[28] Micro USB Port
[29] Ethernet Port

Related product manuals