EasyManua.ls Logo

swepac FB 430 - Wiring Diagram (FB 450); Electrical Component Identification; Electrical Circuit Explanation

swepac FB 430
24 pages
Print Icon
To Next Page IconTo Next Page
To Next Page IconTo Next Page
To Previous Page IconTo Previous Page
To Previous Page IconTo Previous Page
Loading...
19
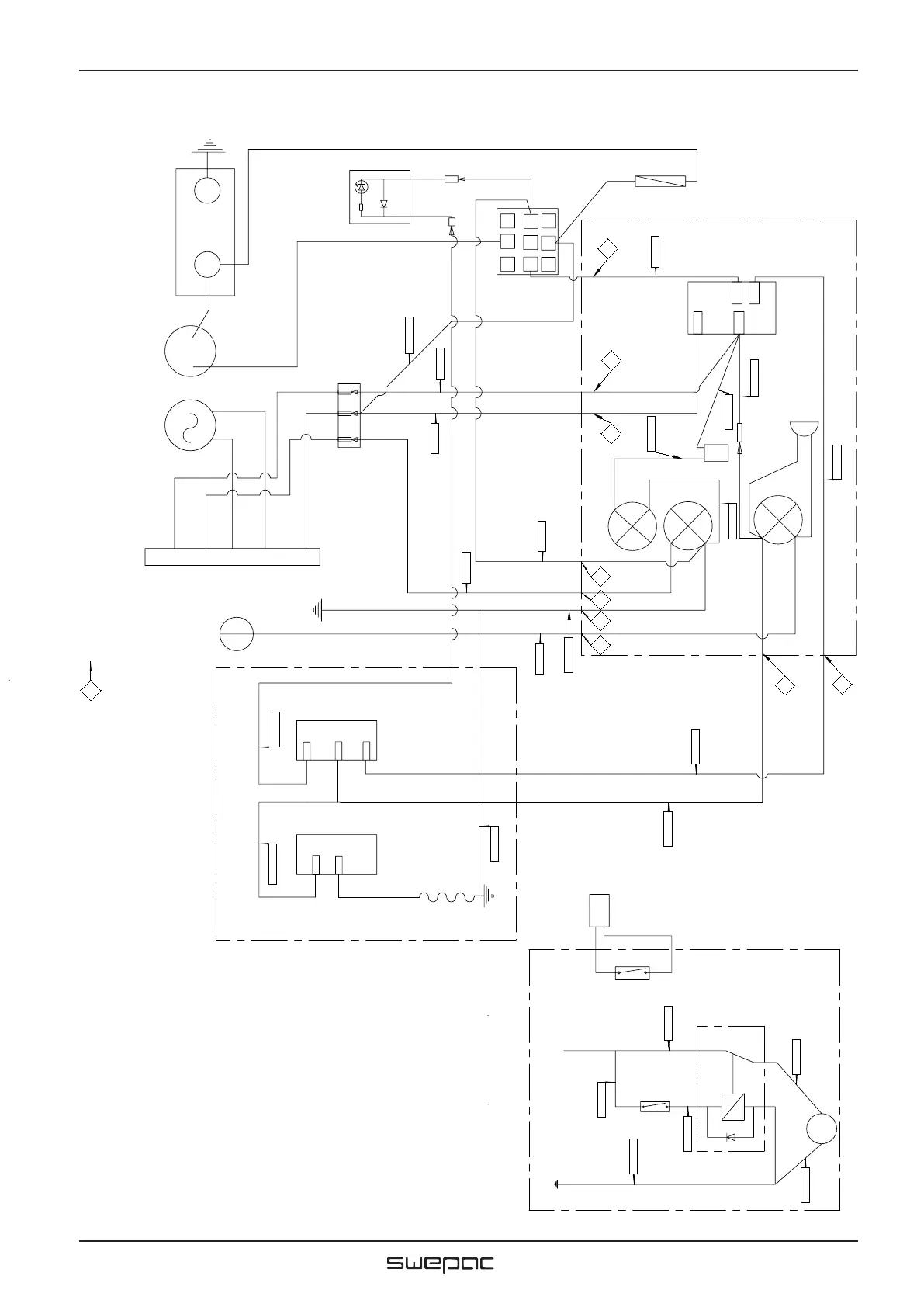
FB 430 / FB 450 / FB 500 / FB 510
Dok: 101498D-GB 2103
Red
Black
Pin number
for the connector
1
6
3
1
2
5 9 4
8
7
BUZZER
13
_
+
_
+
1
2
3
4
5
GREEN
YELLOW
GREEN/WHITE
GREEN/WHITE
WHITE
+
-
BATTERI
OILPRESSURE
LAMP
CHARGING
LAMP
RELAY
HOLDER
7
2
2A
6A
6B
3
PANEL
6
5
2
3
6B
2
2A
REDBLACK
20 Amp
START
SWITCH
MAGNETIC CONNECTOR
VIBRATOR ON/OFF
o o
STARTER
GENERATOR
CHARGING REGULATOR
SWITCH,OIL PRESSURE
CONNECTOR YANMAR
o
2
1
HYDRAULOILTEMP
LAMP
Cable 3
Cable 12
Cable 2
Cable 1A
Cable 5
Cable 15
Cable 4
Cable 6
Cable 1
Cable 6A
+
_
Cable 18
Cable 19
Cable 17
12
DEUTSCH
DEUTSCH till KOMPAKTOMETER
21
Cable 20
Cable 21
A
A
Red
Black
Pin number
for the connector
1
6
3
1
2 5 9 4
8
7
BUZZER
VIBRATION SWITCH
ON/OFF
HANDLE HEAT SWITCH
ON/OFF
HANDLE HEAT
2
3
HANDLE
13
_
+
_
+
1
2
3
4
5
GREEN
YELLOW
GREEN/WHITE
GREEN/WHITE
WHITE
+
-
BATTERI
4
5
6
OILPRESSURE
LAMP
CHARGING
LAMP
RELAY
HOLDER
7
2
2A
6A
6B
3
PANEL
6
5
2
3
6B
2
2A
REDBLACK
20 Am
p
START
SWITCH
MAGNETIC CONNECTOR
VIBRATOR ON/OFF
o o
STARTER
GENERATOR
CHARGING REGULATOR
SWITCH,OIL PRESSURE
CONNECTOR YANMAR
o
2
1
M
.
.
.
85
+86
30
87 87a
Cable 22
Cable 21
.
.
.
.
+
+-
Cable 26
Cable 25
Cable 24
Cable 25
TERMOSTAT 50
°
OIL COOLER
Cable 13
Cable 12
Cable 14
Cable 13A
OILPRESSURE
LAMP
HYDRAULOILTEMP
LAMP
Cable 11
Cable 3
Cable 12
Cable 2
Cable 1A
Cable 5
Cable 15
Cable 4
Cable 6
Cable 1
Cable 6A
+
_
Cable 18
Cable 19
Cable 17
12
DEUTSCH
TERMOSTAT 90
°
1
2
DEUTSCH
WIRING DIAGRAM FB 450