EasyManua.ls Logo

swepac FB 430 - Oil Cooler Wiring Diagram (FB 510); Oil Cooler Thermostat and Relay Connections; Oil Cooler Circuit Explanation

swepac FB 430
24 pages
Print Icon
To Next Page IconTo Next Page
To Next Page IconTo Next Page
To Previous Page IconTo Previous Page
To Previous Page IconTo Previous Page
Loading...
22
FB 430 / FB 450 / FB 500 / FB 510
Dok: 101498D-GB 2103
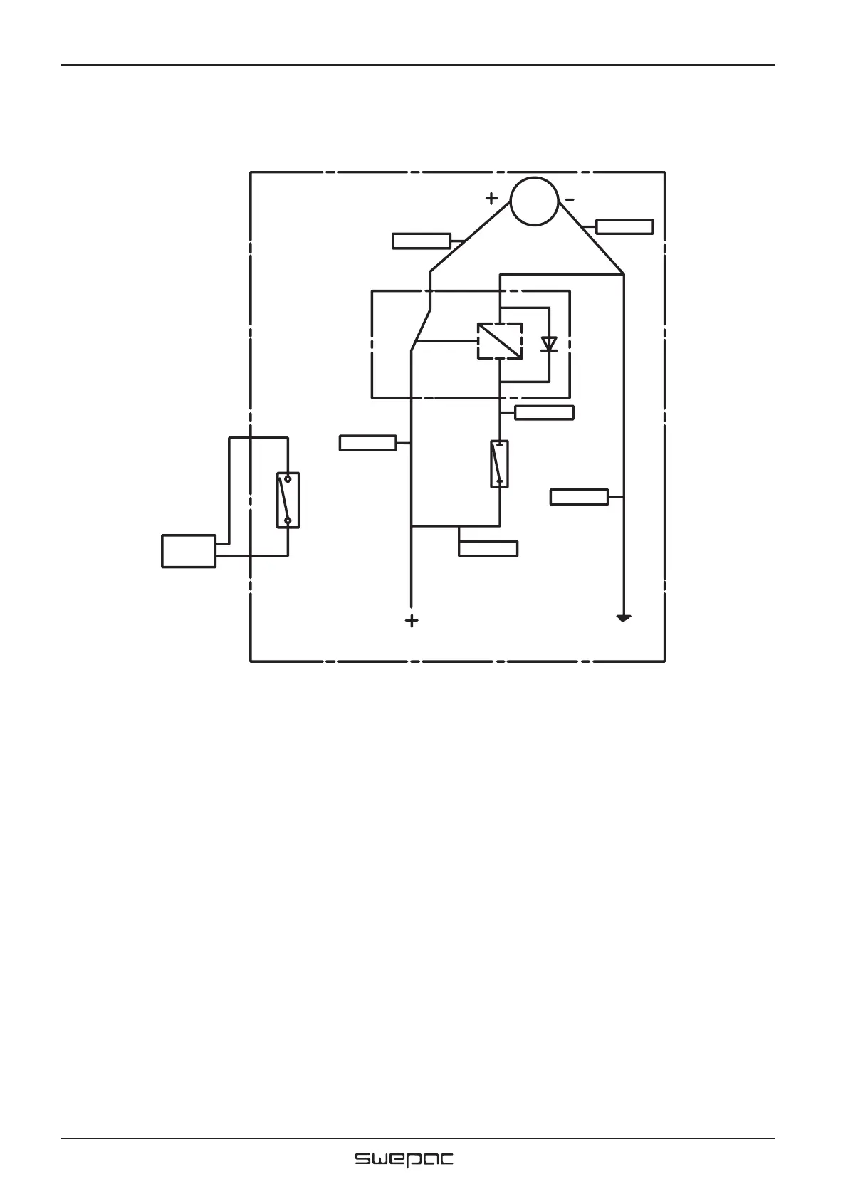
WIRING DIAGRAM OIL COOLER FB 510
DEUTSCH
1
2
OIL COOLER
Cable 26
TERMOSTAT 90
TERMOSTAT 50
Cable 22
Cable 25
Cable 21
30
+86
85
87c87
Cable 25
Cable 24
M