EasyManua.ls Logo

swepac FB 430 - Wiring Diagram (FB 510); Electrical Component Identification; Electrical Circuit Explanation

swepac FB 430
24 pages
Print Icon
To Next Page IconTo Next Page
To Next Page IconTo Next Page
To Previous Page IconTo Previous Page
To Previous Page IconTo Previous Page
Loading...
21
FB 430 / FB 450 / FB 500 / FB 510
Dok: 101498D-GB 2103
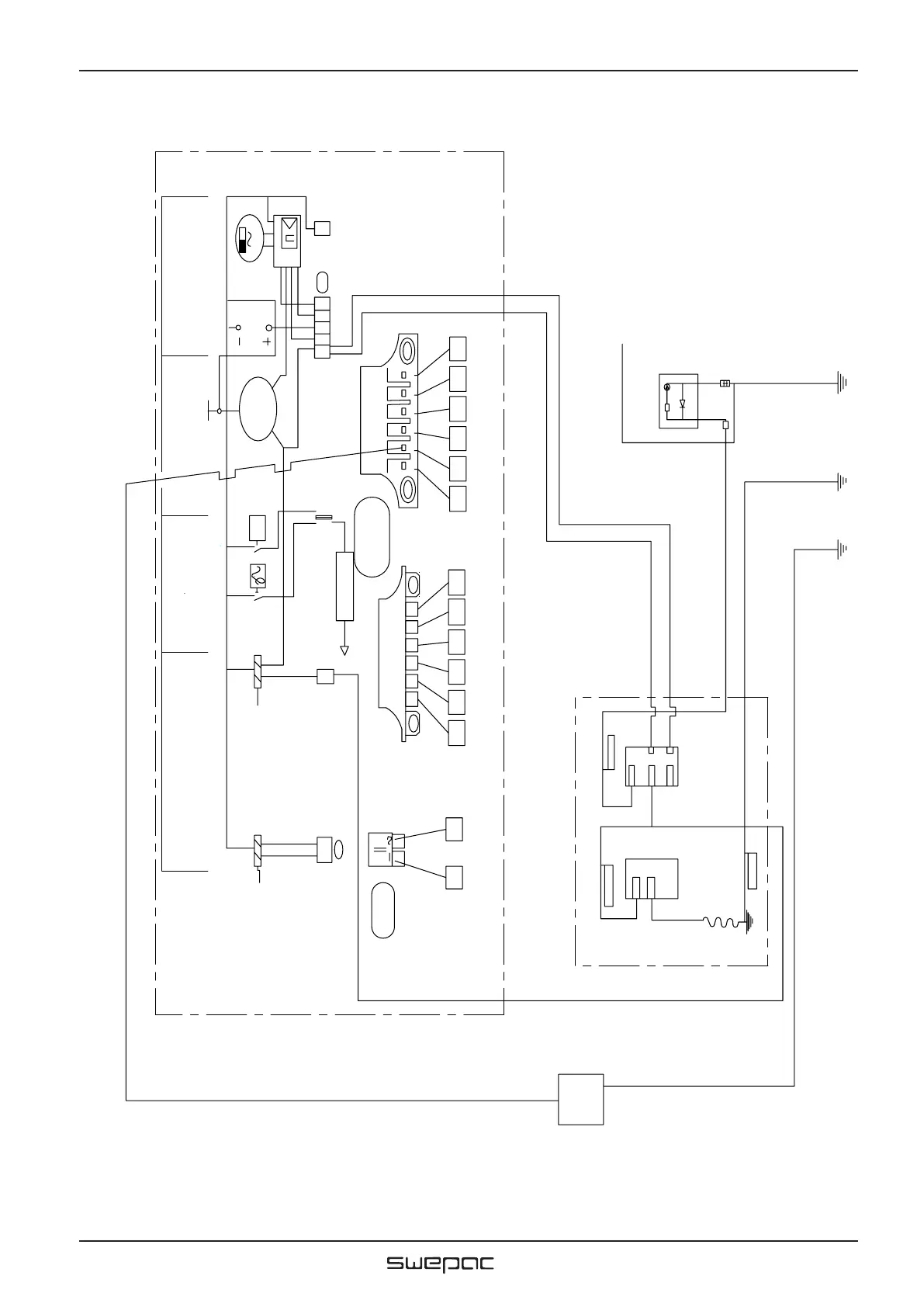
WIRING DIAGRAM FB 510
X2
Y2
S7
P
M1
M
G
X1
0
X2
X1
65--01
22743224
654321
321
HANDLE
3A
3
2A
3
2
6
5
4
VIBRATION SWITCH
ON/OFF
HANDLE HEAT SWITCH
ON/OFF
Cable 14
Cable 11
Cable 13A
HANDLE HEAT
2
1
MAGNETIC CONNECTOR
VIBRATION ON/OFF
BLACK RED
11
14
1234 56
22 24
POWER CABLE
COMPACTION
INDICATOR
307851
Black cable
Red cable
45
Olje temp
ENGINE
7
28 14
7
3
AW
0
HW
S6
Power supply /
Charging device
Starting deviceMonitoring +display
Motor shut-down
THE COMPACTION
INDICAT
OR IS OPTION
Connection from start panel