EasyManua.ls Logo

Sycamore APEX 3 - Wiring Diagrams (continued); Apex 7

Sycamore APEX 3
33 pages
Print Icon
To Next Page IconTo Next Page
To Next Page IconTo Next Page
To Previous Page IconTo Previous Page
To Previous Page IconTo Previous Page
Loading...
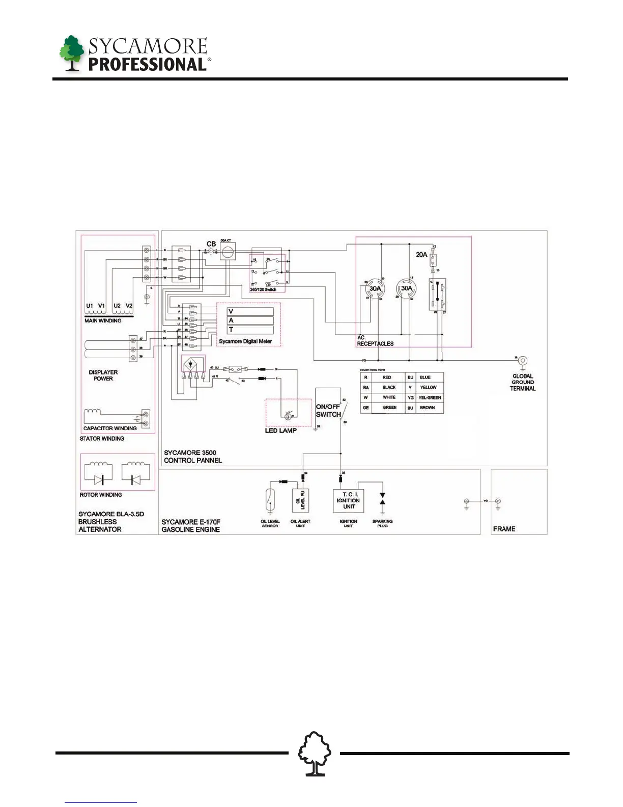
Wiring Diagrams
Apex 3
© 2008, SYCAMORE SCS, LLC
© 2008, SYCAMORE SCS, LLC
29
APEX Series Owners Manual

Related product manuals