EasyManua.ls Logo

Symphonic WF803 - Page 45

Symphonic WF803
110 pages
Print Icon
To Next Page IconTo Next Page
To Next Page IconTo Next Page
To Previous Page IconTo Previous Page
To Previous Page IconTo Previous Page
Loading...
X1
X2
X3
Y1
Y2
Y3
Z1
Z2
Z3
AA1
AA2
AA3
BB1
BB2
BB3
VIDEO SIGNAL
DATA(AUDIO)
SPINDLE SERVO SIGNAL
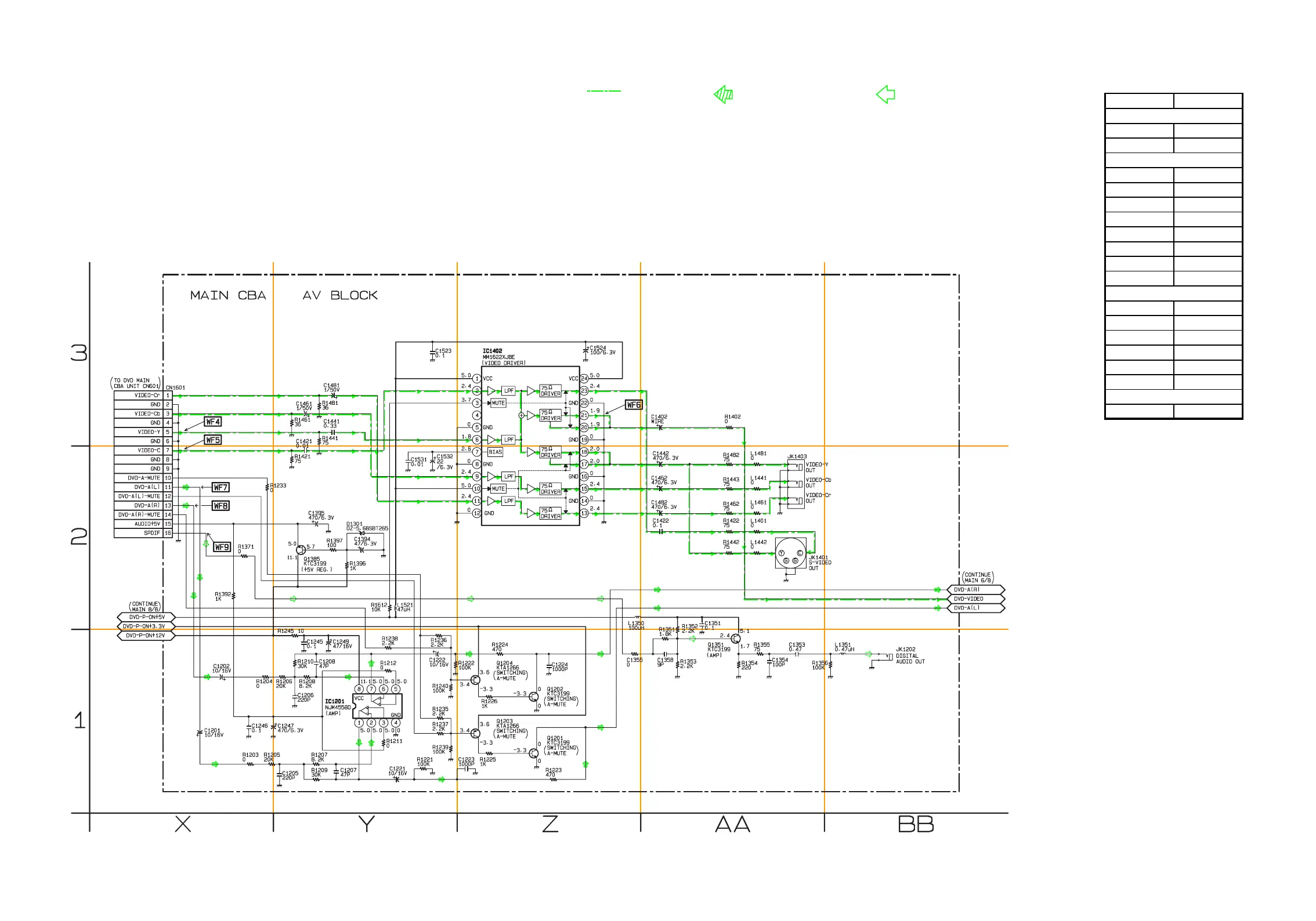
Main 5/8 Schematic Diagram < VCR Section >
1-11-11
1-11-12
H9400SCM5
MAIN 5/8 Schematic Diagram
Parts Location Guide
Ref No. Position
IC1201 Y-1
IC1402 Z-3
L1350 Z-2
L1351 BB-1
L1401 AA-1
L1441 AA-1
L1442 AA-1
L1461 AA-1
L1481 AA-1
L1521 Y-2
Q1201 Z-1
Q1202 Z-1
Q1203 Z-1
Q1204 Z-1
Q1351 AA-1
Q1385 Y-2
CN1601 X-3
TRANSISTORS
COILS
ICS
CONNECTORS

Other manuals for Symphonic WF803

Related product manuals