EasyManua.ls Logo

SystemAir SysAqua 25 - Page 72

SystemAir SysAqua 25
80 pages
Print Icon
To Next Page IconTo Next Page
To Next Page IconTo Next Page
To Previous Page IconTo Previous Page
To Previous Page IconTo Previous Page
Loading...
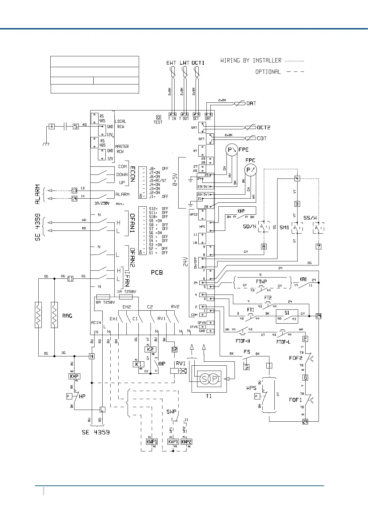
CONTROL WIRING DIAGRAM
SE 4360 A
AQA 90/105/125
N8053991322
<>
XXX SysAqua
APPENDIX / ANNEXE / ANLAGE / ALLEGATO / ANEXO
SYSAQUA 90 - 100 - 125
CONTROL

Table of Contents

Other manuals for SystemAir SysAqua 25

Related product manuals