EasyManua.ls Logo

SystemAir SysAqua 25 - Page 76

SystemAir SysAqua 25
80 pages
Print Icon
To Next Page IconTo Next Page
To Next Page IconTo Next Page
To Previous Page IconTo Previous Page
To Previous Page IconTo Previous Page
Loading...
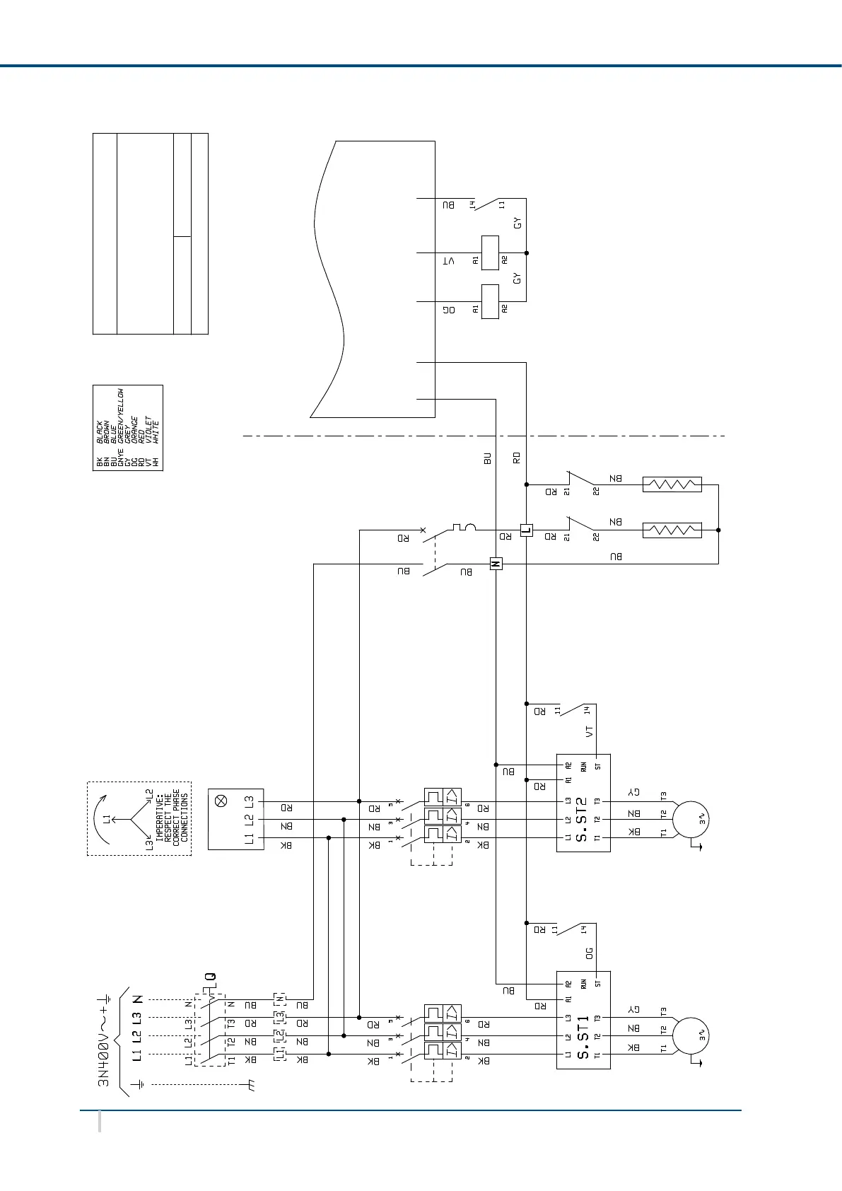
POWER WIRING DIAGRAM
SE 4459
AQA 25/30/35/40/45/55/
N805
G
CPS 1
CPS 2
KA1
3991373
K1
K2
FT1
FT2
K1
K2
M2
M1
FTC
R1 R2
N L C1 C2
N
KHP
K2
K1
AC-IN
PCB
SOFT STARTER OPTION
65/75/90/105/125
SE 4356/4358/4360/4364/4366/436
8
XXXIV SysAqua
APPENDIX / ANNEXE / ANLAGE / ALLEGATO / ANEXO
SOFT STARTER

Table of Contents

Other manuals for SystemAir SysAqua 25

Related product manuals