EasyManua.ls Logo

SystemAir SYSHRW Series - Page 43

SystemAir SYSHRW Series
54 pages
Print Icon
To Next Page IconTo Next Page
To Next Page IconTo Next Page
To Previous Page IconTo Previous Page
To Previous Page IconTo Previous Page
Loading...
SE 4484
N724
3991387
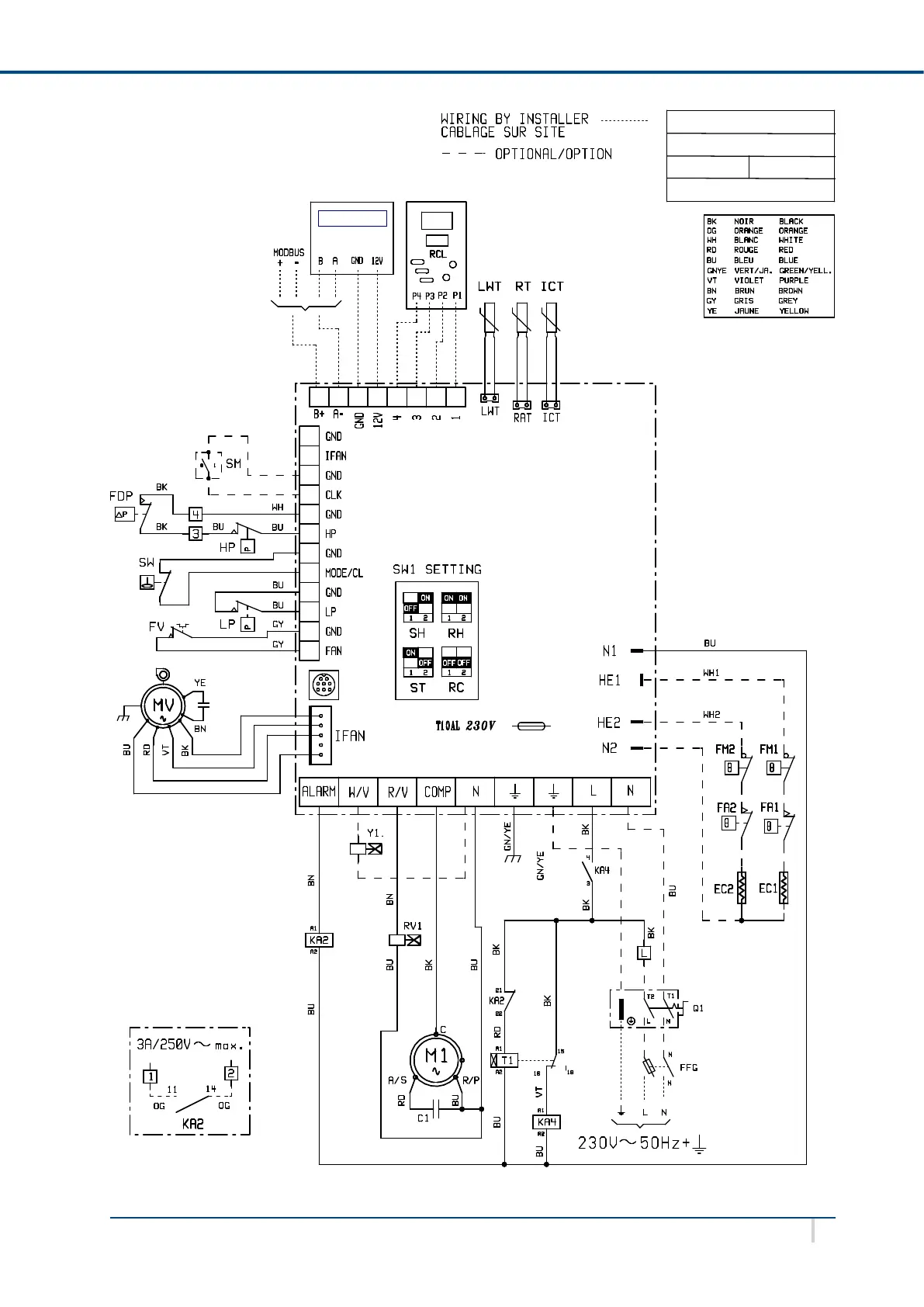
HRW 19
µBMS
WIRING DIAGRAM
<
><
> >
>
>
VSYSHRW
APPENDIX / ANNEXE / ANLAGE / ALLEGATO / ANEXO
19 + MODBUS

Table of Contents

Related product manuals