EasyManua.ls Logo

Target TA10100 - Page 40

Target TA10100
46 pages
Print Icon
To Next Page IconTo Next Page
To Next Page IconTo Next Page
To Previous Page IconTo Previous Page
To Previous Page IconTo Previous Page
Loading...
40
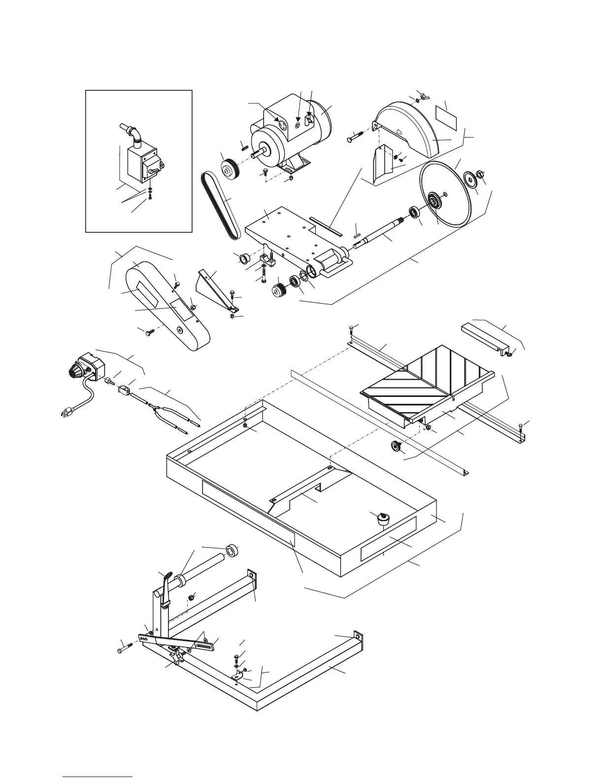
DIAGRAM 1 - TILEMATIC MODELS: TA-10100, TA-10150
32
33
34
31
14
15
6
67
1
2
3
12
4
5
7
8
13
9
11
10
10
57
66
68
58
52
53
51
54
46
69
55
56
65
75
71
72
73
50
76
OUTLET for
WATER PUMP
ONLY
A
B
70
59
60
61
62
63
64
MOTOR SWITCH for
1-1/2HP 115V230
(000605)
A1
A2
A3
38
43
42
41
39
36
37
35
40
19
18
19
19
20
21
17
30
29
23
24
25
27
26
28
16
22
44
74
47
48
49
52

Related product manuals